Is that Any One Have Clear Schematic For Baracuda
Announcement
Collapse
No announcement yet.
Announcement
Collapse
No announcement yet.
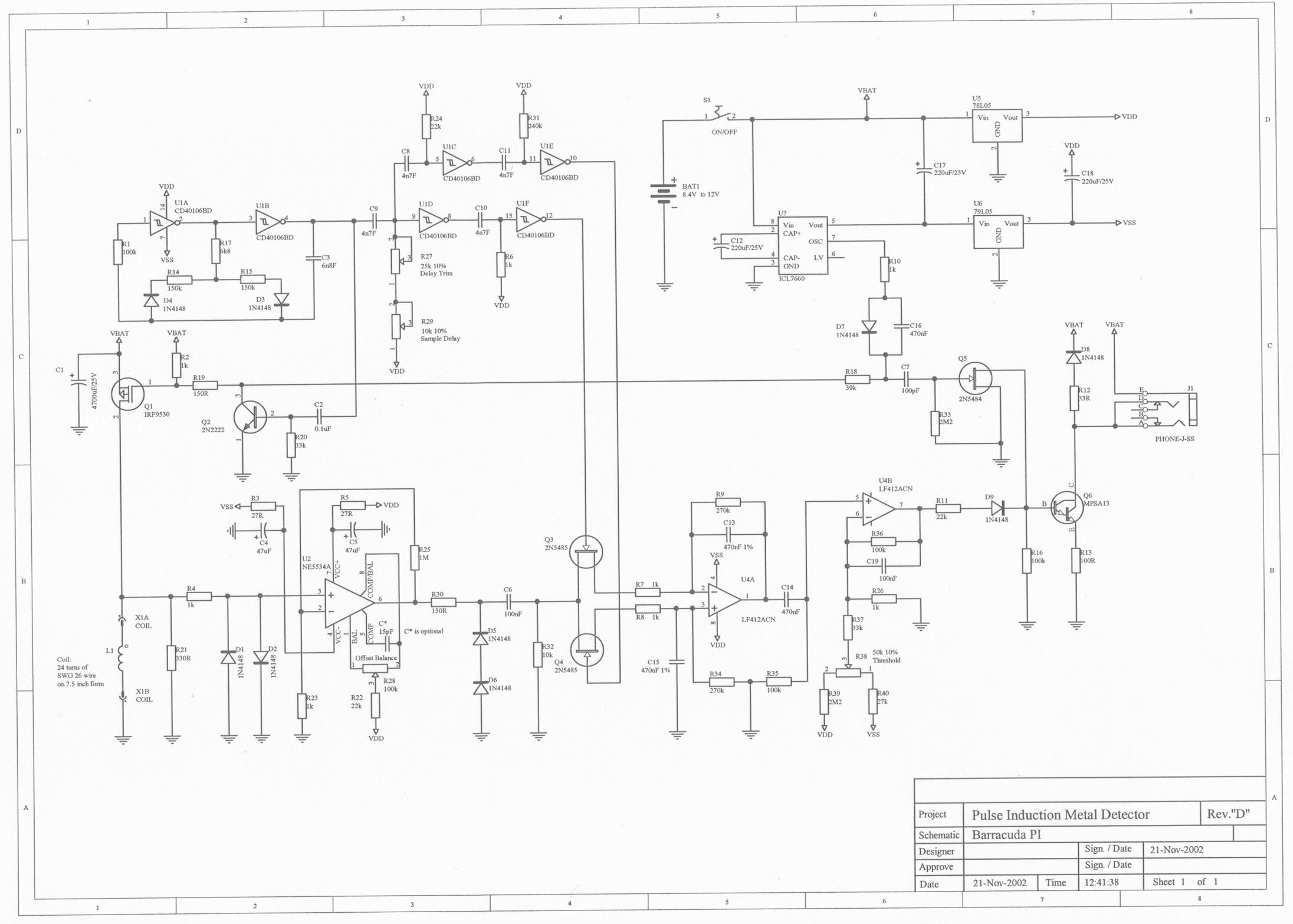
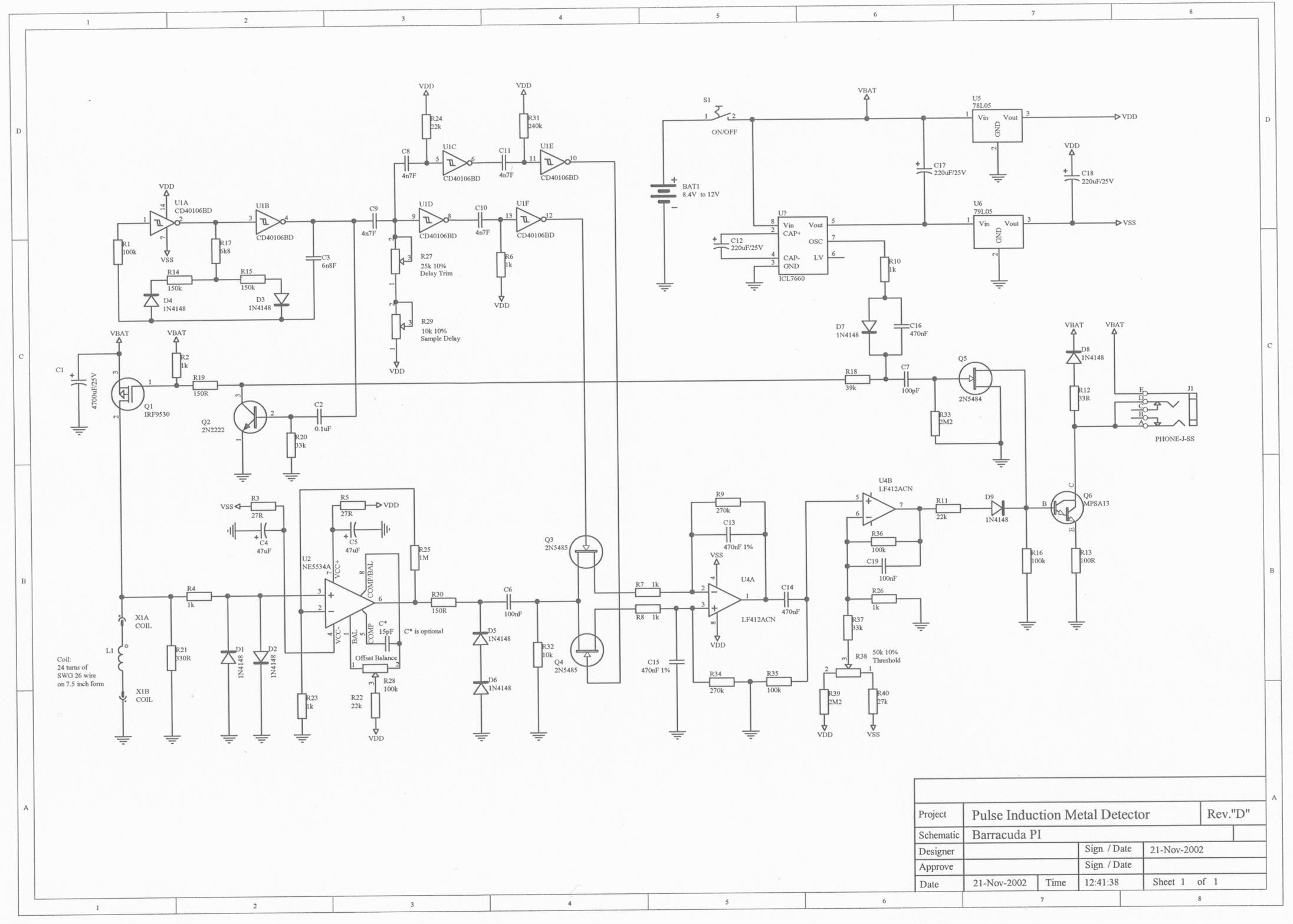
Baracuda Schematic
Collapse
X
-
not sure if you should trust that schematic,
quite allot of values of resistors have been "doctored" / changed to "silly"
values,
also the 555 configured all wrong, itll go pop !!!
it's poss a "spoof" schematic..........
check out resistor values around the 5534 and u2a and u2b !!
pin 3 of the 555 goes to "earth" !!!
and the 220uf between reset and trigger made me laugh, a bit !!
Comment
-
here,
try this schematic,
it's the clearest one I have found,
had a quick look over, haven't spotted anything.........
oh, since compared the other schematic to this one......
the 555 on the top right supposed to be a 7660,
which, unless you have the high voltage version it won't like
12v's going in to it.
Comment
-


. can you write in international comfort english?
Comment