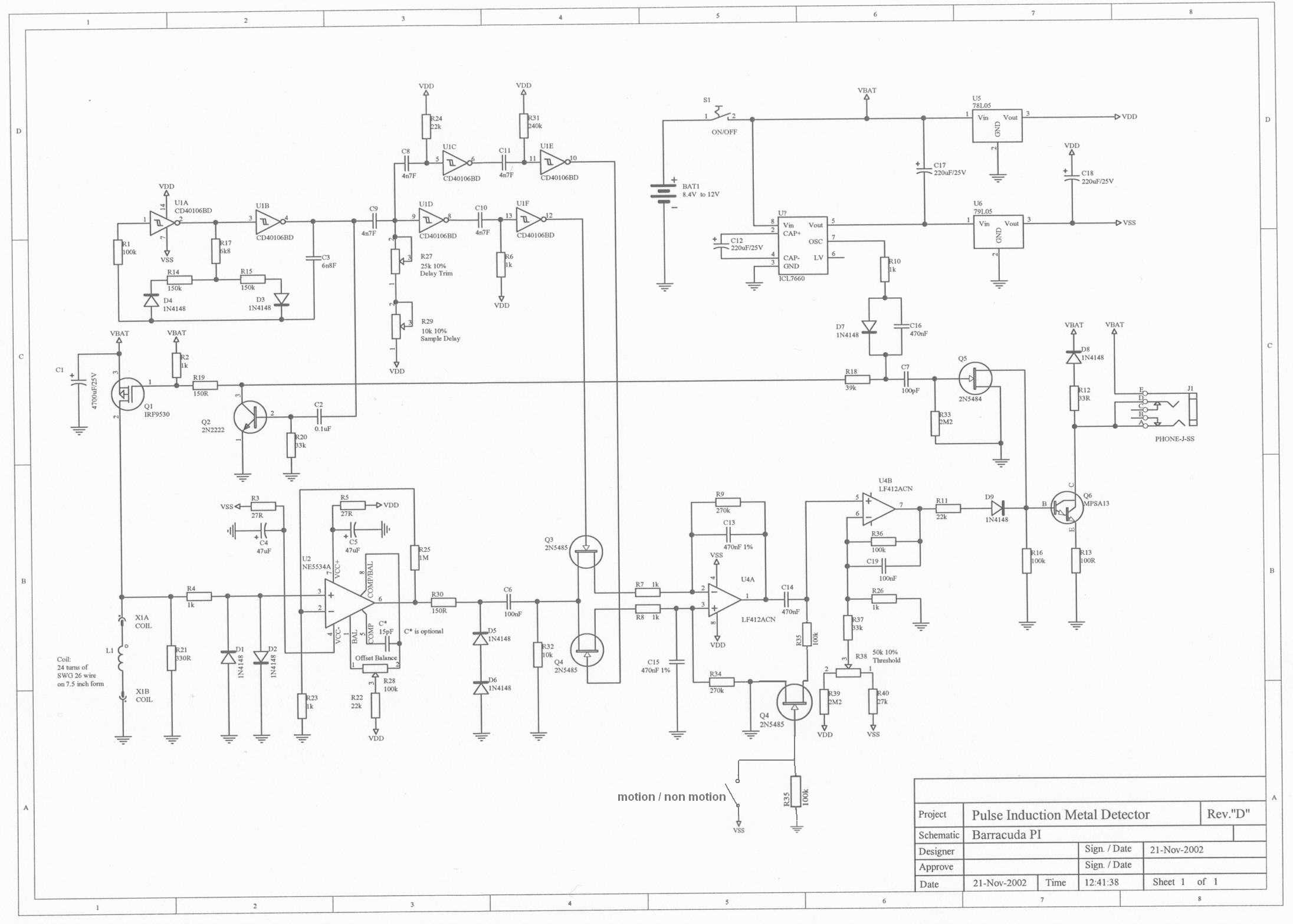
Hi all...I have just completed 2 barra's, both working although one works best with a 9v battery the other with a 10.8v. I have seen that it can be made a motion or non motion detector at the moment they are in moth in mode...how do you change it to non motion mode....also how do you set up the trim pots properly...I have a multimeter but no scope.....any help is very welcome.....step by step non expert explanation please...

Comment