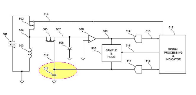
A DAMPING CIRCUIT FOR A COIL ABSTRACT A damping circuit for a coil includes a
voltage controlled current sink, a switch, an amplifier and a sample and hold
device. At a first instant in time when a back EMF voltage is present across
the coil the switch connects the voltage controlled current sink across the coil
and the back EMF is discharged through the voltage controlled current sink. At a
second instant in time when the back EMF has discharged, the switch disconnects
the voltage controlled current sink from across the coil and the residual
voltage across the coil is amplified and an error voltage sample is stored in
the sample and hold device. The stored error voltage level is connected to
the control input of the voltage controlled current sink to form a servo control
loop......and that's how you do it ....:-)
voltage controlled current sink, a switch, an amplifier and a sample and hold
device. At a first instant in time when a back EMF voltage is present across
the coil the switch connects the voltage controlled current sink across the coil
and the back EMF is discharged through the voltage controlled current sink. At a
second instant in time when the back EMF has discharged, the switch disconnects
the voltage controlled current sink from across the coil and the residual
voltage across the coil is amplified and an error voltage sample is stored in
the sample and hold device. The stored error voltage level is connected to
the control input of the voltage controlled current sink to form a servo control
loop......and that's how you do it ....:-)



... they fundamentally alter the way ground balance is done and sampling target curves ... but more on this later. Note this explanation is not an endorsement for violation of any rights I or others may hold in respect of any intellectual property or patented information contained in this post.
Comment