Anyone who has made the MPP knows it's LOUD.
I have been playing around with the following volume control possibilities:
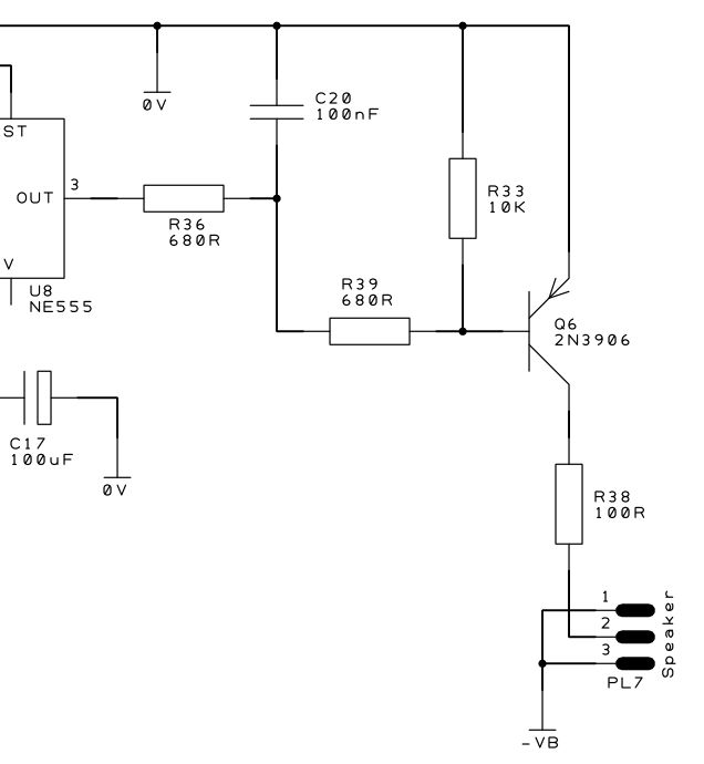
1.) Instead of R33 10k I have inserted a 5k pot to adjust the bias on the transistor.
It works quite well, BUT the control-ability in the low volume area is very short on the pot - zero ohms (no sound) to about 500 Ohms (loud enough).
I then inserted a 470 Ohm pot, the resistance range for comfortable listening being 190 to 270 Ohms. Only a short-turn-range again.
What is going on here? Suggestions?
2.) Tried various pots 1k/5k/10k in-line to the headphones. It works over a wider spread-of-turn than the above method, but I can't get it really quiet.
I have measured 5-15 mA current flowing in this setup (when vco is in low frequency range up to a few 100 Hz). Not sure if I measured right - RMS mA on fluke.
I wonder how well the pot wiper can handle this over time. Is anyone here knowledgeable about this? Is this an issue?
My goal here is to have an excellent volume control, especially in the lower loudness region.
Maybe I've gone about this totally wrong and there are better ways of doing this - Ideas?
Thanks!
I have been playing around with the following volume control possibilities:
1.) Instead of R33 10k I have inserted a 5k pot to adjust the bias on the transistor.
It works quite well, BUT the control-ability in the low volume area is very short on the pot - zero ohms (no sound) to about 500 Ohms (loud enough).
I then inserted a 470 Ohm pot, the resistance range for comfortable listening being 190 to 270 Ohms. Only a short-turn-range again.
What is going on here? Suggestions?
2.) Tried various pots 1k/5k/10k in-line to the headphones. It works over a wider spread-of-turn than the above method, but I can't get it really quiet.
I have measured 5-15 mA current flowing in this setup (when vco is in low frequency range up to a few 100 Hz). Not sure if I measured right - RMS mA on fluke.
I wonder how well the pot wiper can handle this over time. Is anyone here knowledgeable about this? Is this an issue?
My goal here is to have an excellent volume control, especially in the lower loudness region.
Maybe I've gone about this totally wrong and there are better ways of doing this - Ideas?
Thanks!

and 100k pot after in-line to headphone.
Comment