hi,
I've just finished the TGSL (ivconic's version). Since I had an original Tesoro Coil I thought I could use that one. Problem is, that it's a newer coil with the four pin connector. TX is 0.95mH and 4.3 Ohm and RX is 15.8mH and 63ohm.
Therefore I changed the TX oscillator (replaced bias resistors and caps, basically I used the values from the Cibola detector). The TX signal is a clean sine wave at 14.45kHz with about 17Vpp amplitude.
The RX seems not to work properly, I calculated that 6.1nF in parallel to the 15.8mH coil should yield a resonance frequency of 16.2kHz.
The problem I have is that the detection depth is only about 5-10cm even for large objects like a full reel of solder wire.
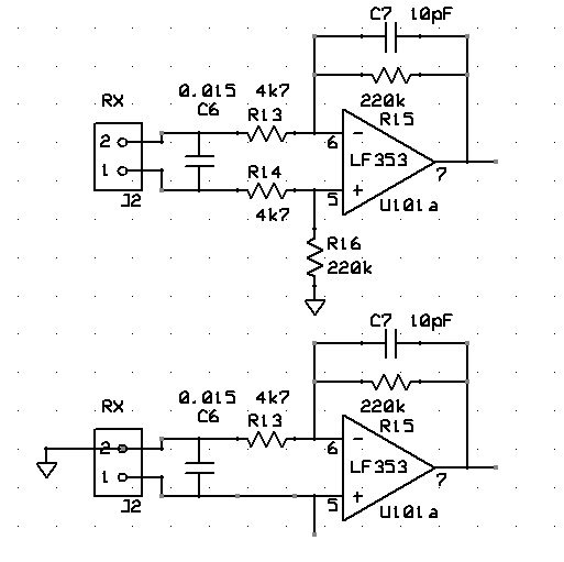
When I measure the RX signal right before the LF353 I get about 8-9Vpp @ 14.5kHz with respect to battery ground.
Any ideas what could cause the problem? :S
The coils work fine on my original cibola.
Thanks
I've just finished the TGSL (ivconic's version). Since I had an original Tesoro Coil I thought I could use that one. Problem is, that it's a newer coil with the four pin connector. TX is 0.95mH and 4.3 Ohm and RX is 15.8mH and 63ohm.
Therefore I changed the TX oscillator (replaced bias resistors and caps, basically I used the values from the Cibola detector). The TX signal is a clean sine wave at 14.45kHz with about 17Vpp amplitude.
The RX seems not to work properly, I calculated that 6.1nF in parallel to the 15.8mH coil should yield a resonance frequency of 16.2kHz.
The problem I have is that the detection depth is only about 5-10cm even for large objects like a full reel of solder wire.
When I measure the RX signal right before the LF353 I get about 8-9Vpp @ 14.5kHz with respect to battery ground.
Any ideas what could cause the problem? :S
The coils work fine on my original cibola.
Thanks


Comment