Announcement
Collapse
No announcement yet.
Announcement
Collapse
No announcement yet.
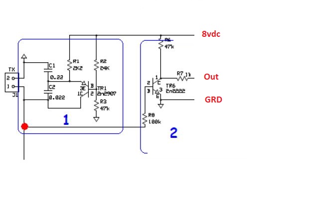
TGSL Tx oscillator set up.
Collapse
X
-
I had the 2N2907 as described but it wouldn't even sputter. Replaced it with a 2N3906 and lit lights right up. After that I think That's what I'll use in the build. I have a bucket load of the things.
Cool Idea on the Arduino . I have like 6 Nano's laying around Idle. Emmm. I purchased Two PCB. My intention was to Build One as Described and Double the Freq on the second for Nugget Hunter.
I have some Atmega328's from BangGood I purchased to do that kind of stuff with too. That would make a nice Test oscillator any coils, eaa? All it would take would be the Atmega, Two Caps and Crystal. Run in PCM ? https://www.banggood.com/DIP28-ATmeg...l?rmmds=search
Ahhh Another Some Day Project. Use the TGSL as the basis and you could DO THINGS with the Arduino. Freq. Custom Audio Target ID ? different Detector, OLED would look Sharp on a detector. LOL Your getting me side tracked.
Comment

Comment