I bought the kit sometime back from Silverdog and have just finshed building the kit and a DD coil,but I have a few small issues. Has anyone experienced anything similar to guide me in the right direction please.
1. On startup without the coils attached there is no beep, so from the threads I assume this is version 3?
When I connect the coils and power up I get a continuos beep for six seconds, but If I repeat this power up sequence several times the beep reduces to a few seconds.
Videos i have watched don't have this continuos beep,just a small beep on power up..Is this correct?
2. The DD coils I built using 30AWG and referenced to D Bower instructions. I calibrated by attaching tx output to each coil and wound up/down to get 14.437 khz tx and 13.95 khz rx using oscilloscope on the coils.
However my resistance isn't around 25ohms its more like 30ohms?
The detect sensitivity is very poor e.g. when waiving a pair of pliers its about 2cm!!!!! Ground balance works and does discrimination, sensitivity setting doesn't seem to change.
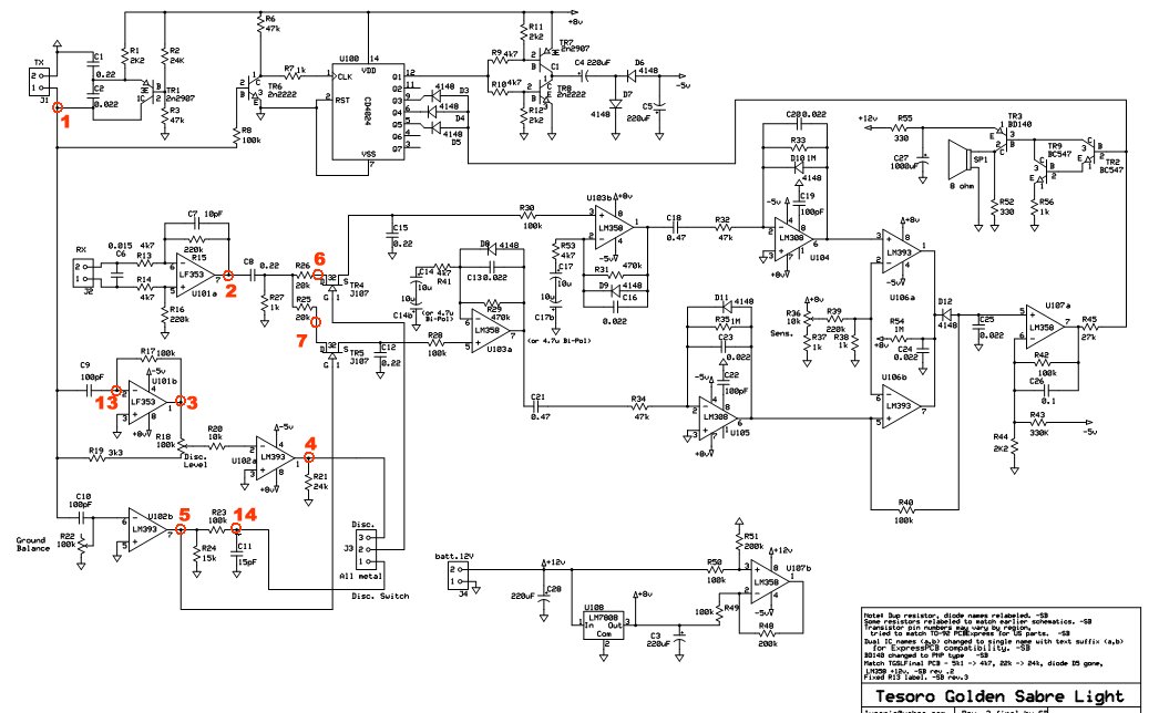
3. The circuit for the TGSL-EDU seems to be different to the schematic I have for the output, see attached. Does anyone have a TGSL-EDU schematic?
1. On startup without the coils attached there is no beep, so from the threads I assume this is version 3?
When I connect the coils and power up I get a continuos beep for six seconds, but If I repeat this power up sequence several times the beep reduces to a few seconds.
Videos i have watched don't have this continuos beep,just a small beep on power up..Is this correct?
2. The DD coils I built using 30AWG and referenced to D Bower instructions. I calibrated by attaching tx output to each coil and wound up/down to get 14.437 khz tx and 13.95 khz rx using oscilloscope on the coils.
However my resistance isn't around 25ohms its more like 30ohms?
The detect sensitivity is very poor e.g. when waiving a pair of pliers its about 2cm!!!!! Ground balance works and does discrimination, sensitivity setting doesn't seem to change.
3. The circuit for the TGSL-EDU seems to be different to the schematic I have for the output, see attached. Does anyone have a TGSL-EDU schematic?

Comment