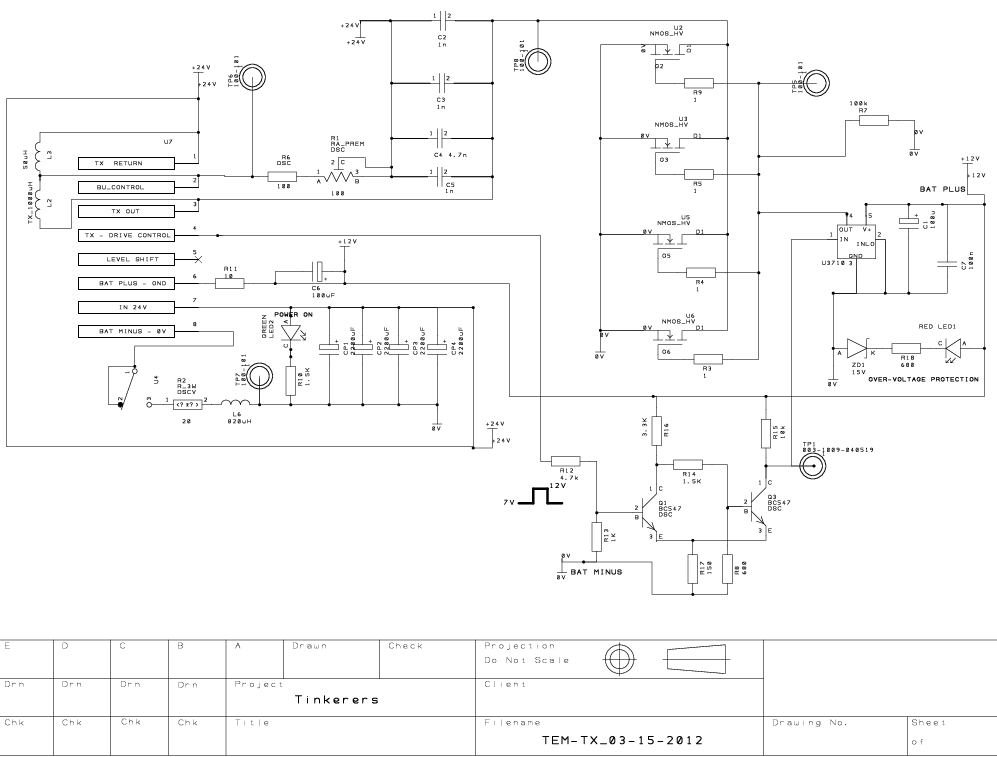
We have seen the TX circuit. Now, how should the RX circuit look like?
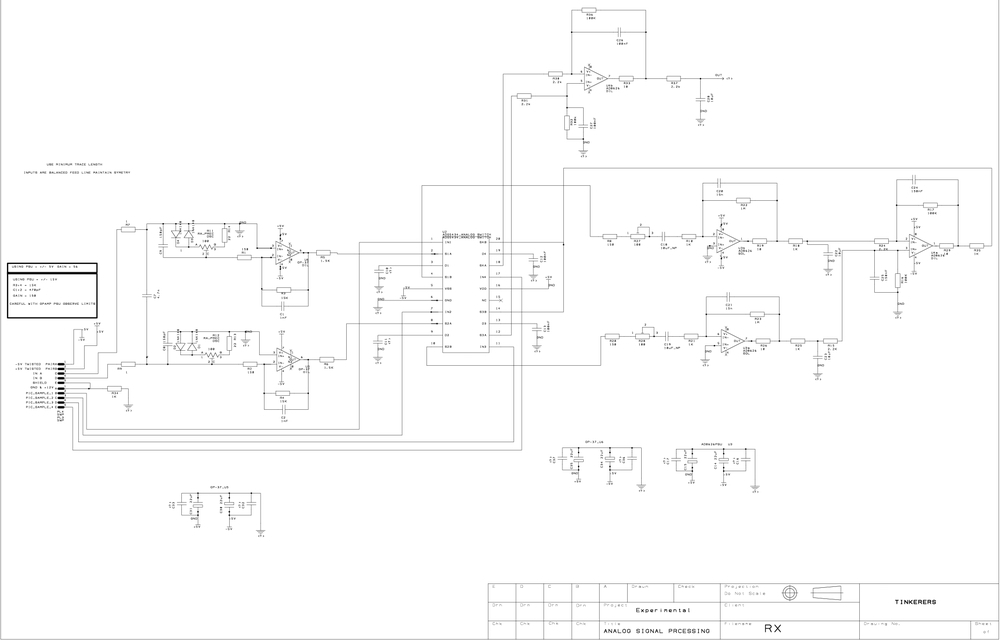
How are we going to process the RX signal?
Should we sample and digitize it right at the input and do all processing digitally?
Should we do all the processing in analog?
Should we do some signal conditioning before digitizing?
Below is the TX schematic again, as a reminder how it looks.
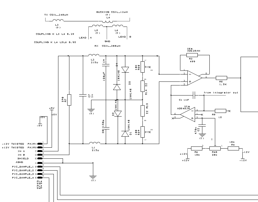
Then we have an old analog schematic, as an example of what we could do and to give some points of reference.
Tinkerer
How are we going to process the RX signal?
Should we sample and digitize it right at the input and do all processing digitally?
Should we do all the processing in analog?
Should we do some signal conditioning before digitizing?
Below is the TX schematic again, as a reminder how it looks.
Then we have an old analog schematic, as an example of what we could do and to give some points of reference.
Tinkerer

Comment