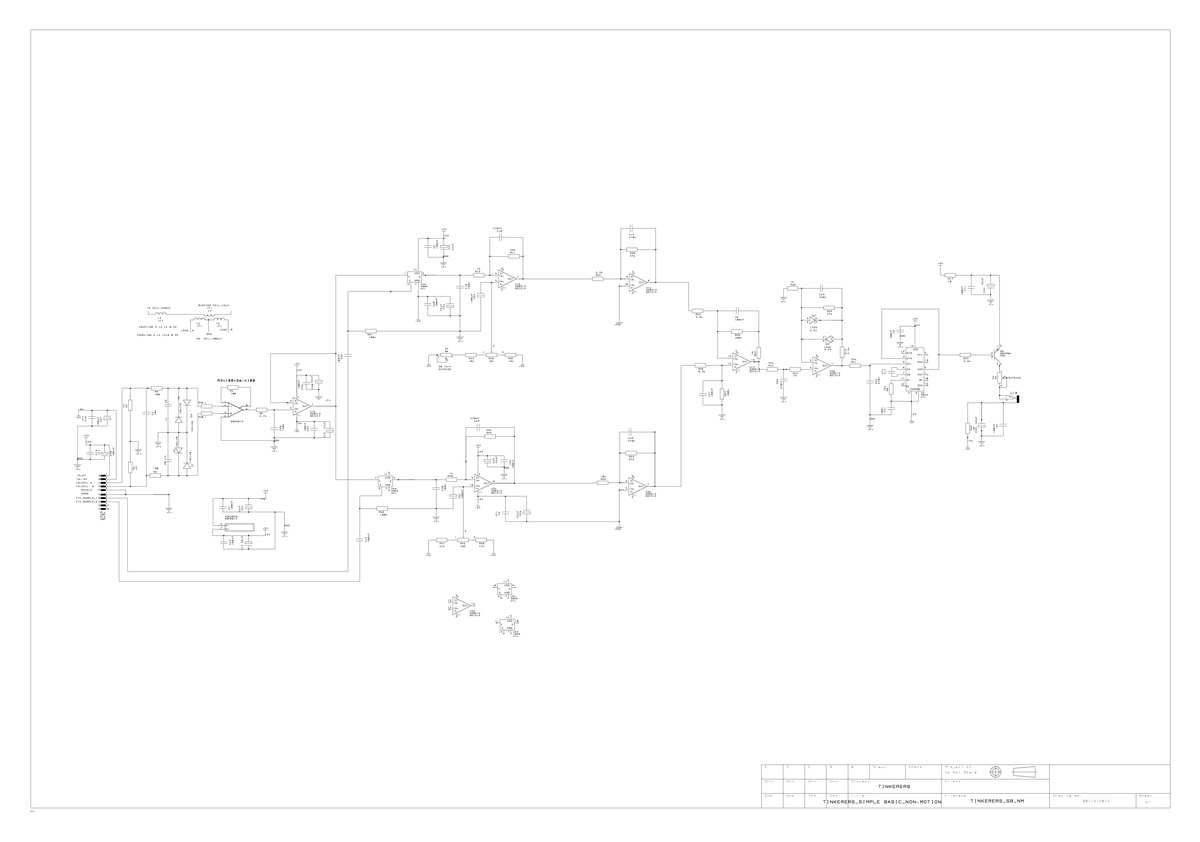
I can supply the PCB component overlay and circuit and you are correct no solder mask on the Prototype boards and the supplier in Melbourne is where I get my boards from the power/supply board will I think be about a month or so away.
Regards, Ian.
VK5KIB
Regards, Ian.
VK5KIB
Originally posted by sido
View Post

, so unorganized due to reno's.
Time for a new provider me thinks. Talk to you all soon.
Comment