Hi ,
Does anybody help me or suggets hoe to build a coil ,i know just L1= 160 D= .27 mm , L2= 70-75 D= .45 mm.
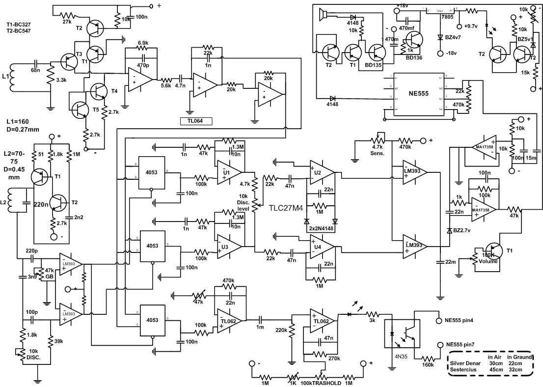
The detector is showed on schematic
Many thanks
Does anybody help me or suggets hoe to build a coil ,i know just L1= 160 D= .27 mm , L2= 70-75 D= .45 mm.
The detector is showed on schematic
Many thanks

Comment