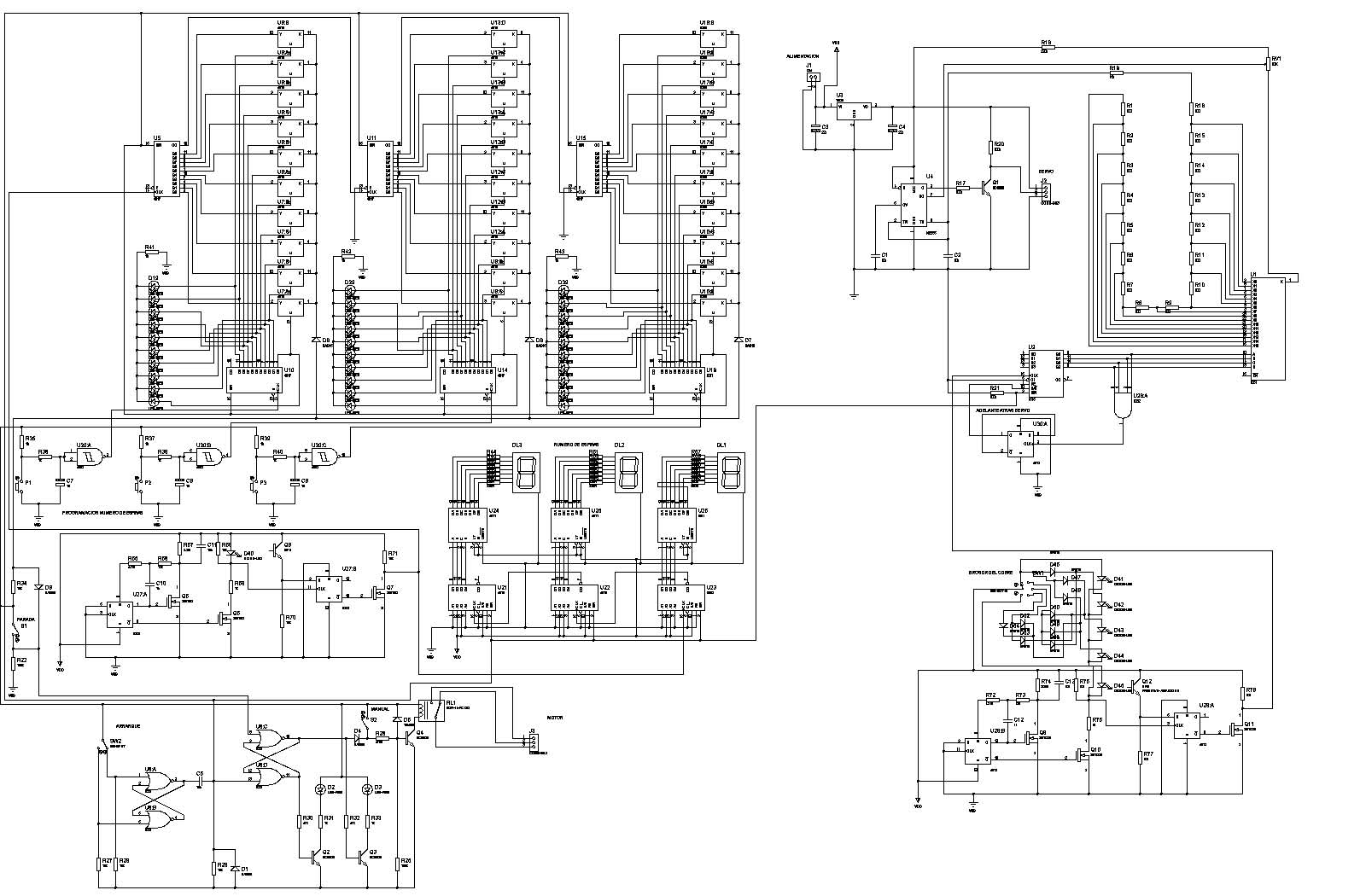
hello, this it is my design to control a machine that coil and places the turns ordenadamente, I have verified the circuit and works correctly, when it designs pcb I put it in the forum
Announcement
Collapse
No announcement yet.
Announcement
Collapse
No announcement yet.
coil machine
Collapse
X
-
If this is just an Up/Down Digital Counter, You Might consider the one on my Website. Definately Simpler.Originally posted by veyal View Posthello, this it is my design to control a machine that coil and places the turns ordenadamente, I have verified the circuit and works correctly, when it designs pcb I put it in the forum
It Works very well and the PCB is Available for it.
I use Hall Effect Switches on mine, but almost any switch device will work.
http://www3.telus.net/chemelec/Proje...Counter-UD.htm
-
bobinadora controlada por servo
THE ADVANTAGE OF MY DESIGN IS THAT IT USES A SERVO ONE THAT IS MOVED RIGHT THE THICKNESS OF COPPER AND THEREFORE IS PLACING TURNS ONE BEHIND ANOTHER ONE WITHOUT BEING PLACED NO UPON THE OTHER THE SERVO ONE MOVES FROM A SIDE TO ANOTHER ONE BY EACH RETURN OF THE PLATE. I SEND PHOTOS TO YOU OF THE MACHINE WITHOUT MOUNTING SO THAT YOUR YOU INCLUDE/UNDERSTAND MY IDEA. GREETINGS
Comment
-
OK, I Understand.Originally posted by veyal View PostTHE ADVANTAGE OF MY DESIGN IS THAT IT USES A SERVO ONE THAT IS MOVED RIGHT THE THICKNESS OF COPPER AND THEREFORE IS PLACING TURNS ONE BEHIND ANOTHER ONE WITHOUT BEING PLACED NO UPON THE OTHER THE SERVO ONE MOVES FROM A SIDE TO ANOTHER ONE BY EACH RETURN OF THE PLATE. I SEND PHOTOS TO YOU OF THE MACHINE WITHOUT MOUNTING SO THAT YOUR YOU INCLUDE/UNDERSTAND MY IDEA. GREETINGS
Its Called: "LAYER WOUND".
Comment

Comment