Hi evryone , I going to made coil of miner-4 but i dont know what use type wire & size because this is a metal detector of germany & i dont understand this language please help me .......
Announcement
Collapse
No announcement yet.
Announcement
Collapse
No announcement yet.
How to made coil miner-4
Collapse
X
-
How to make coil for miner-4
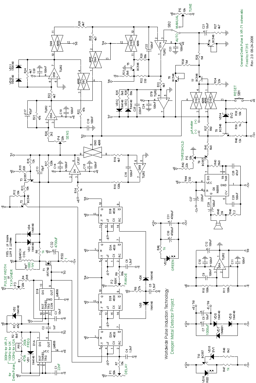
The miner-4 coil "L2" must not have a d.c. resistance greater than 3.0 ohms !!! 2.5 ohms would be perfect . See the "pdf" folder I attached on building a Fast mono P.I. coil . Lots of information , you can build your coil 28 to 40 cm diameter , but do not go over 3.0 ohms d.c. resistance !!! Wind a 10 inch diameter coil with 9 turns of 30 gauge wire should be at 2.5 ohms for testing......You can wind what you want but the Miner-4 Handbuch says 2.5 to 3.0 ohm dc resistance.....I hope this helps a little..........EugeneAttached Files
-
HELP ME TO MAKE COIL MINER-4
hi .evryone. i have a question about coil of miner-4 , i make alot of (2~3) coil
for this metal detector but miner-4 dosent work , it is demo work after 1 min
and coil is very very hot .
1- what reason very very hot coil ?
2- how make a suitable coil for miner-4 ?
3- how do use type wire for make coil ?
4- what do use size wire for make coil ?
5- can i use a coil 1X1 m for this metal detector ?
6- (if i can) then how make this coil ?
7- do this metal detector work whith any coil or it work special coil ?
if you know any information about make coil please
tell me diameter outside & inside coil and type & size .
please guide me english i cant understand germany thank you .
Comment
-
How to make Coil for miner-4
Hello Farhad , sorry I did not answer you sooner . What you need to do is hook up an oscilloscope and check your output pulse parameters at the coil . The duty cycle or your pulse width is to wide . The high current is staying on to long and heating your search coil !!! And Pulsi the designer for many years at Pulsdetektor loves to make his flyback voltage spikes above 1100 volts D.C . on some of his circuits !!! So you need to check your work with a Good oscilloscope !!!!!!!! On the pulsdetector website are downloads , and also a page on winding the coils and also check the German forum which can be translated . You must register and log-in on their German tech forum first , unless they changed it , it has been a long time since I checked anything over there !! I need to re-check again if anything can be translated over there , Maybe not ?? Best of luck , and you may get another opinion here soon , so keep checking back..........Eugene
Comment
-
Originally posted by amtech2005 View PostPulsi the designer for many years at Pulsdetektor loves to make his flyback voltage spikes above 1100 volts D.C . on some of his circuits !!
Hi,
I don't see any reason for this job... maybe that is for a sooner settling down of flyback...
Although the Delta pulse transmitter is 400V, it beats the Miner and other Pulsi's PI's.
Best regards,
1843
Comment
-
replace piece
hi , everyone i have a quastion about miner-4
one piece SA5.O0CA in metal detector i dont have this piece
but i replace two 1N4148 as serial whith SA5.O0CA then trun on set but coil will very very hot .
now what i use piece as replace SA5.O0CA in this metal detector ?
Comment
-
How to make a coil for MINER-4
Hello Farhad . There are some parts listed for your Miner-4 that can NOT be substituted !!!! German TechnologyOriginally posted by Farhad View Posthi , everyone i have a quastion about miner-4
one piece SA5.O0CA in metal detector i dont have this piece
but i replace two 1N4148 as serial whith SA5.O0CA then trun on set but coil will very very hot .
now what i use piece as replace SA5.O0CA in this metal detector ?

.............Build the Delta-Pulse P.I. circuit I posted here first . And then later when you have a lot of time build the Miner-4 !!!!! Just my opinion . Others are very welcome to comment and help out !!!...................Regards..............Eugene
Attached Files
Comment
-
[email protected]
salam farhad
man ham irani hastam ,dost daram ba ham dar ertebat bashim. dar moredeh metal detectors. adres [email protected]
Comment

Comment