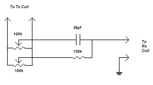
Someone at the Russian Web site had torn down an Garrett ACE-250. It had coplanar coils, of which one had a trimmer potentiometer connetcted between some turns.
I assume that the trimmer is used to zero the coils instead of moving them around.
Has anybody tried that with DD coils for a VLF detector? Obviously there a drawback, otherwise it would be "the" way to zero the coils, instead of making 0.01mm increments.
All hints appreciated.
I assume that the trimmer is used to zero the coils instead of moving them around.
Has anybody tried that with DD coils for a VLF detector? Obviously there a drawback, otherwise it would be "the" way to zero the coils, instead of making 0.01mm increments.
All hints appreciated.

Comment