Hey Tinkerer,
I decided to move the coil question/answer (http://thunting.com/geotech/forums/s...ad.php?t=14756 post #24) to here. I posted the following TP4 scope shot just before that post:

And you replied:
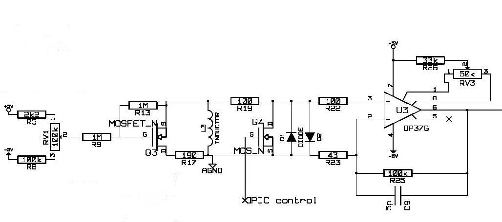
"Here is a drawing of the balanced coil output at TP4. I don't have a HH to do the actual picture.
The wave shape depends somewhat on the amount of power in the coil and the coil specs.
The coil can only be balanced for one specific coil current and\or pulse width.
Anytime you change the coil current you have to adjust the damping and the balance of the coil.
On the drawing I show the sampling point where the signal crosses the 0V line.
At this point, the signal goes positive for FE or negative for all non magnetic metals, or the opposite, depending if the coil or preamp is inverting.
I also show the effect of a FET transistor blocking the Flyback. In this case it is a shunt to ground. It can also be in series to block the signal totally.
Tinkerer"
I can get the trace to dip with that slight ringing at the start if I play with the bucking windings. However, your drawing shows a very sharp rise back to zero whereas I have a flat line for about 5uSec. Why is that? Is that sharper rise a result of the flyback blocking? If so, how do I implement that?
Especially interesting was "The coil can only be balanced for one specific coil current and\or pulse width". Could you elaborate on that?
Any insights that you or anyone else has would be appreciated. Thanks, GTB
I decided to move the coil question/answer (http://thunting.com/geotech/forums/s...ad.php?t=14756 post #24) to here. I posted the following TP4 scope shot just before that post:
And you replied:
"Here is a drawing of the balanced coil output at TP4. I don't have a HH to do the actual picture.
The wave shape depends somewhat on the amount of power in the coil and the coil specs.
The coil can only be balanced for one specific coil current and\or pulse width.
Anytime you change the coil current you have to adjust the damping and the balance of the coil.
On the drawing I show the sampling point where the signal crosses the 0V line.
At this point, the signal goes positive for FE or negative for all non magnetic metals, or the opposite, depending if the coil or preamp is inverting.
I also show the effect of a FET transistor blocking the Flyback. In this case it is a shunt to ground. It can also be in series to block the signal totally.
Tinkerer"
I can get the trace to dip with that slight ringing at the start if I play with the bucking windings. However, your drawing shows a very sharp rise back to zero whereas I have a flat line for about 5uSec. Why is that? Is that sharper rise a result of the flyback blocking? If so, how do I implement that?
Especially interesting was "The coil can only be balanced for one specific coil current and\or pulse width". Could you elaborate on that?
Any insights that you or anyone else has would be appreciated. Thanks, GTB

Comment