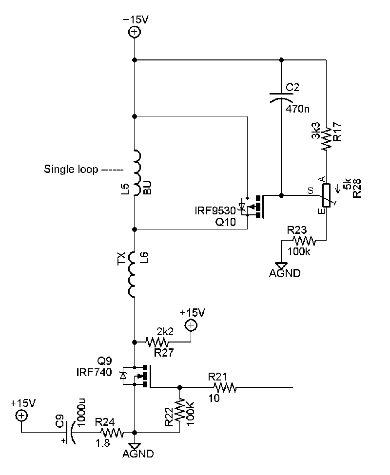
There are instructions for construction of a DD coil, which seems to have an interesting feature: nulling with a single loop of wire. The article is in Russian, so I'm not sure if I'm correct. Have a look at http://www.metdet.ru/IB/, select sensor30.zip and open the Word doc.
Can someone please tell, if the single loop shown on page 10 is really used for nulling? If yes, I'd be grateful to have a rough translation of the nulling procedure. Also the possible benefits and drawbacks using this method would be nice to know, if described in the document.
I wonder, if this method could be used with any DD coil. It looks promising, as moving only a single loop to null the coils would not be so accurate work. The required movement should be the much larger than moving the whole coil.
All hints appreciated,
MH
Can someone please tell, if the single loop shown on page 10 is really used for nulling? If yes, I'd be grateful to have a rough translation of the nulling procedure. Also the possible benefits and drawbacks using this method would be nice to know, if described in the document.
I wonder, if this method could be used with any DD coil. It looks promising, as moving only a single loop to null the coils would not be so accurate work. The required movement should be the much larger than moving the whole coil.
All hints appreciated,
MH

Comment