Announcement
Collapse
No announcement yet.
Announcement
Collapse
No announcement yet.
Minelab X-Terra coil inside. Schematic.
Collapse
X
-
not mine home work
... you have to notice there is NOT so deeply adwertizing VFLEX technology. NOTHING!
http://www.minelab.com/consumer/know...b-technologies
VFLEX transforms conventional single frequency metal detection technology by including two microcontrollers (miniature computers), one inside the control box and one inside the coil.
a microcontroller inside the coil RECOGNISES the Minelab coil. it does NOTHING! no more! it transfers some code in a block at turn-on first time. same principle is used in aircraft tech in recognizer SELF-ALIEN.
Comment
-
Joke on Peter Woodland
Strange search head was invented in Australia by Peter Woodland, but it is not patented yet. The advantages are that coil moves closest to ground and the operator is on the search head.
Image shows how the inventor moves on his new head.
Attached Files
Comment
-
This is a fact. WM9731 codec involved in digital signal processing is located on the motherboard. I do not see the connection between computers in the coil and the detector.
Vflex is more myth than real practical benefit..
Regards
Taktyk
Comment
-
IF ML is to be believed (and they are probably NOT) then why not just have an E2PROM in the head and read the parameters for it using I2C (could also contain nulling parameters too etc) OMG I just gave ML an idea..Watch them patent that now and call it was THEIR idea.


.
So, the micro can't generate enough of a signal to be used as Tx generator (of much practical use) and the ADC doesn't have enough resolution NOR is the micro fast enough to be doing front end signal processing.
SOooo, I suspect I am right with the info above. Interesting that ML's engineers (note the small "e") using a sledghammer to crack a walnut, but then the AT Tiny is probably cheaper than a E2PROM OR they aren't smart enough to understand and use I2C!

Bluntly and, more truthfully, VFLEX = (More) smoke and mirrors sales hype designed to part gullible people from their money..
Comment
-
They could have used simple serial-access memory parts, eg. the 'one-wire' system, that would be enough to identify the coil frequency and size and any other operating parameters. Systems like that are used in laptop batteries to identify genuine parts. But it would be easily copied by after-market manufacturers. Putting in a micro allows simple encryption code, etc, and it would be hard to read out the code and reverse engineer the coil. I'm sure the same thing is done by printer manufacturers with ink cartridges.
Comment
-
ROFLMAO!!
Nope even WITH the TiNY you can just look at the data line wiggling about and work out what is going on (OR you could try a logic analyser).
I DO suspect that the "code" it spews out is "encrypted" in some way but still not hard to reproduce unless it is challenge and response type, but I dont think ML are smart enough to have thought of that!

What you need is to look at ALL types of coil they use and look at what is "emitted" each time at switch on. MAYBE it's a rolling code (like car alarms etc) but even then a few hours with an on/off sequence might yield enough data to make the sequence predictable.
In any case, I suspect that if you pay ML a LARGE sum of green stuff and tell them you want to make aftermarket coils they will send you a VERY wordy NDA and let you have the codes anyhow.
Comment
-
Rolling codes is exactly what I was thinking, (not rolling on the floor). They're just trying to make it difficult, not impossible. I'm sure reverse engineering could be done. By the way, do you still have access to the programmer that can read security-bit protected micro's?
Comment
-
I don't know if you were aware, but ML changed the data protocol/encryption of the V-flex system, meaning non-official NEL aftermarket coils won't work on the latest (mid-2012 onwards) X-terra's.It could be that the NEL coils did not include a straightforward clone of the ML chip, to avoid copyright-type issues, but they were functionally compatible, based on reverse-engineering. This would be their weakness.http://www.minelab.com/aus/customer-...?article=94380
Comment
-
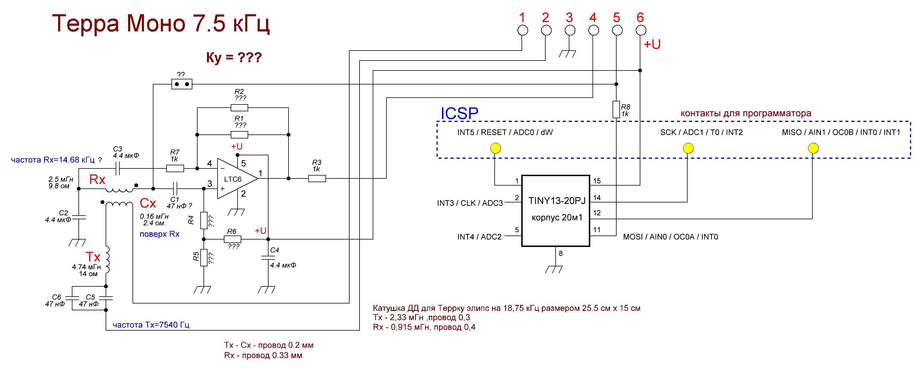
Hi I have got broken standard coil to x-terra 70 (7.5kHz) I think that she is unbalanced (falses all the time). I wanted to use PCB from it and build bigger DD coil. Can someone help with coil data/windings?
I know there is thread on md4u:
http://md4u.ru/viewtopic.php?t=2453
but there is no data, maybe someone has it, resonanse freq. etc ?
Regards
Comment

Comment