Santa is back! 
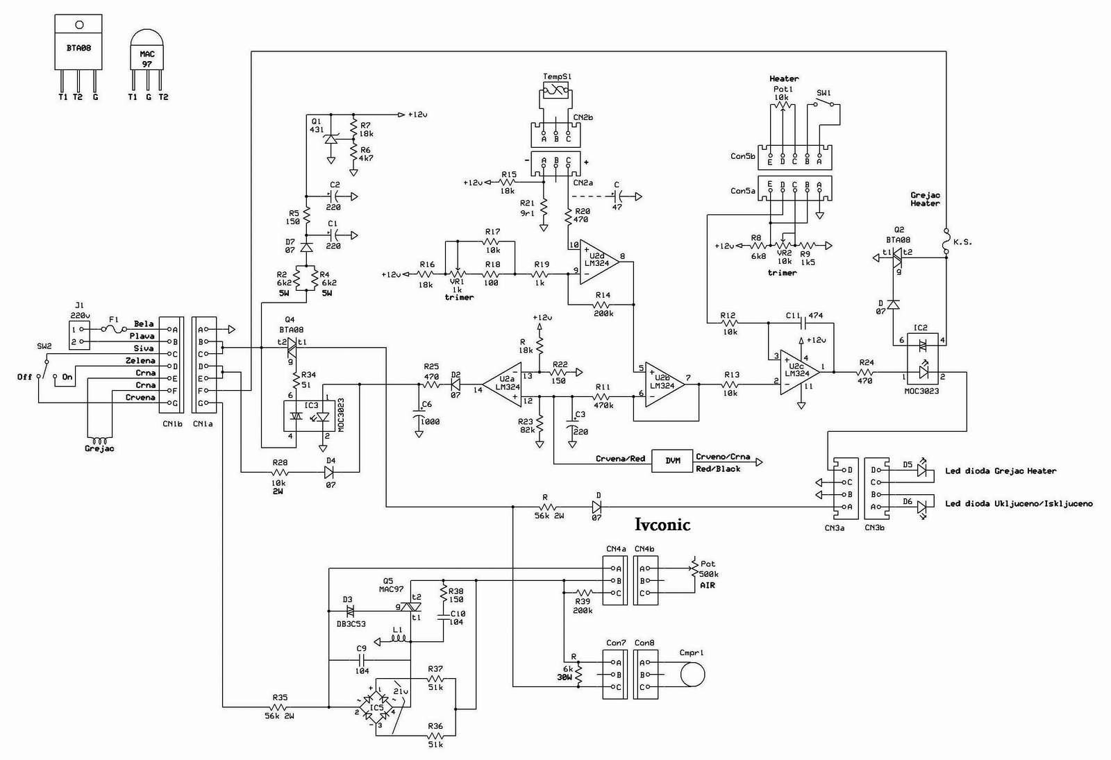
A friend gave me his Gordak 850+ SMD Rework Station Hot Air Welding Gun to try to fix it.
Something happened with electricity at his home and than Gordak burned.
I tried to find schematic on the internet but i had no success.
So...a man's got to do what a man's got to do; i serviced it and at the same time i traced out schematic and pcb!
Here it is, enjoy!

A friend gave me his Gordak 850+ SMD Rework Station Hot Air Welding Gun to try to fix it.
Something happened with electricity at his home and than Gordak burned.
I tried to find schematic on the internet but i had no success.
So...a man's got to do what a man's got to do; i serviced it and at the same time i traced out schematic and pcb!

Here it is, enjoy!


Comment