Announcement

Collapse
No announcement yet.

Announcement

Collapse
No announcement yet.

need +12V regulator

Collapse
X
 
  • Filter
  • Time
  • Show
Clear All
new posts

  • need +12V regulator

    hi
    i need schematic for +12v regulator .
    i want use this for DP2 , so any one an help me ????????
    regards

  • #2
    how about a LM7812?

    Comment


    • #3
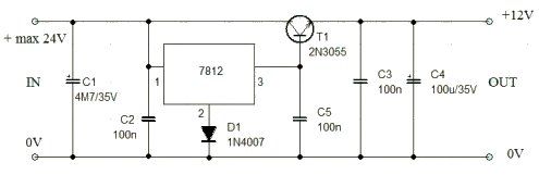
      I'm using it.

      Regards
      Attached Files

      Comment


      • #4
        use impulse STEP-UP DC-DC 5-35V output converter. I buy them on ebay for low price. they are PERFECT for DP and any VLF.
        http://www.ebay.com/itm/NEW-DC-DC-Ad...ht_5843wt_1270

        ... I took ones on LM7522 based... this is something not on this IC... STEP-UP is PROTECTING your electronics ITSELF,
        because output voltage will be NOT OVER than input in case if the converter would burnt.

        Specifications:
        • Input voltage:3.5V-32V
        • Output voltage:5V-35V
        • Input current:Rated current is 2.5A,maximum 3A(Additional heatsink is required)
        • Load regulation:±0.5%
        • Voltage regulation:±0.5%
        • Work temperature:-40 ℃ - +125 ℃
        • dimension:42mm*22mm*14mm(L*W*G)
        • NOTE:This can't be used to step down Voltage

        Comment


        • #5
          Originally posted by kt315 View Post
          use impulse STEP-UP DC-DC 5-35V output converter. I buy them on ebay for low price. they are PERFECT for DP and any VLF.
          http://www.ebay.com/itm/NEW-DC-DC-Ad...ht_5843wt_1270

          ... I took ones on LM7522 based... this is something not on this IC... STEP-UP is PROTECTING your electronics ITSELF,
          because output voltage will be NOT OVER than input in case if the converter would burnt.

          Specifications:
          • Input voltage:3.5V-32V
          • Output voltage:5V-35V
          • Input current:Rated current is 2.5A,maximum 3A(Additional heatsink is required)
          • Load regulation:±0.5%
          • Voltage regulation:±0.5%
          • Work temperature:-40 ℃ - +125 ℃
          • dimension:42mm*22mm*14mm(L*W*G)
          • NOTE:This can't be used to step down Voltage

          thanks man.
          it is good choice , just i want know how current DP2 use when connect 1*1m coil and DEPTH volume in max ???
          regards

          Comment


          • #6
            Originally posted by walkman View Post
            I'm using it.

            Regards
            hi
            it is good but when i use lithium battery (14.8 v , 2.2ampere) , the start current an not produce .so i should use 2number of 12v ,0.8ampere parallel for your circuit . if you have idea i listen .
            Excuse for my English

            Comment


            • #7
              14.8V 2.4A (4 cell) I am using for lipo battery. I have not encountered any problems

              Comment


              • #8
                Originally posted by kt315 View Post
                use impulse STEP-UP DC-DC 5-35V output converter. I buy them on ebay for low price. they are PERFECT for DP and any VLF.
                http://www.ebay.com/itm/NEW-DC-DC-Ad...ht_5843wt_1270

                ... I took ones on LM7522 based... this is something not on this IC... STEP-UP is PROTECTING your electronics ITSELF,
                because output voltage will be NOT OVER than input in case if the converter would burnt.

                Specifications:
                • Input voltage:3.5V-32V
                • Output voltage:5V-35V
                • Input current:Rated current is 2.5A,maximum 3A(Additional heatsink is required)
                • Load regulation:±0.5%
                • Voltage regulation:±0.5%
                • Work temperature:-40 ℃ - +125 ℃
                • dimension:42mm*22mm*14mm(L*W*G)
                • NOTE:This can't be used to step down Voltage

                dear KT i buy it .
                if i use 2.8AH ,12volt battery ,can work by 1.1m*1.1m coil 8 or 10hour ?
                regards

                Comment


                • #9
                  10 hour you will dig 3-4 meters holes? your name is Scwartzenegger? superman eah? 2-3 hours is your physical resource, no more!

                  Comment

                  Working...
                  X