Announcement

Collapse
No announcement yet.

Announcement

Collapse
No announcement yet.

DIY Cheap but accurate LC Meter circuit

Collapse
X
 
  • Filter
  • Time
  • Show
Clear All
new posts

  • DIY Cheap but accurate LC Meter circuit

    Hi all,,,I came across this little circuit on the Internet and thought I'd build it just to see for myself how accurate it was compared to my bought LC Meters. I thought I'd post the links to it in hopes someone else could give me their views and thoughts about it,,,If it's as accurate as my bought meters I'll probably use it to build my PI coils with,,,it is only powered with a 1.5v cell and uses readily available common components. Thanks,,,Regards,,Marty.
    http://www.zen22142.zen.co.uk/Circui...ance_meter.htm
    https://www.youtube.com/watch?v=1YLepeKbFeQ

  • #2
    Looks as if there is some paper maths involved. I will go for one giving me the final verdict instantly.

    Comment


    • #3
      Hi Chuubaba,,,Yes, apparently it does need a little mathematics on paper but when I first started making my own detectors and coils in 2016 It took me quite awhile to eventually save the money up to be able to afford all the necessary meters, soldering iron, oscilloscope and good collection of different components etc,, I needed to make them,,I could've done with a little circuit like this just to 'put' me on while I got a dedicated and trustworthy LC meter so I thought posting this circuit may be useful to others that are just starting out or in the same predicament I was in back then. Regards,,Marty.

      Comment


      • #4
        I am the kind of guy you are looking to help but still many things can go wrong on paper etc. For me its a task to count zeros in the formula. I am sure there are many other gurus with similar qualifications. I am now more interested in knowing what results you got with what meters in your quest for perfect inductance. I got a pintek ps200 scope and looking for a function generator to do the job for me just because i invested in the scope in the first instance.

        Comment


        • #5
          @Chuubaba,,,I understand exactly what your saying,,and I totally agree with you that once a person has invested a lot of money in Oscopes and meters then the simplicity of it all and getting perfect and accurate results is well worth it,,I myself have 3 different LC Meters, all decent brands, but all give different results and I never know which one to trust,,lol. Anyway, the little circuit may come in handy for someone just begining. Regards,,,Marty.

          Comment


          • #6
            I've used the same circuit a number of times in the past. They work good for making Charge Pumps as well. You simply use a Step up transformer for the Inductor. Your not limited to low power Transistors.

            Comment


            • #7
              @Homefire,,,I've just printed off a few pcb's to etch,,,thought I'd give one a try and compare it to my dedicated meters,,,gives me something to do and might learn something new. Regards ,,Marty.

              Comment


              • #8
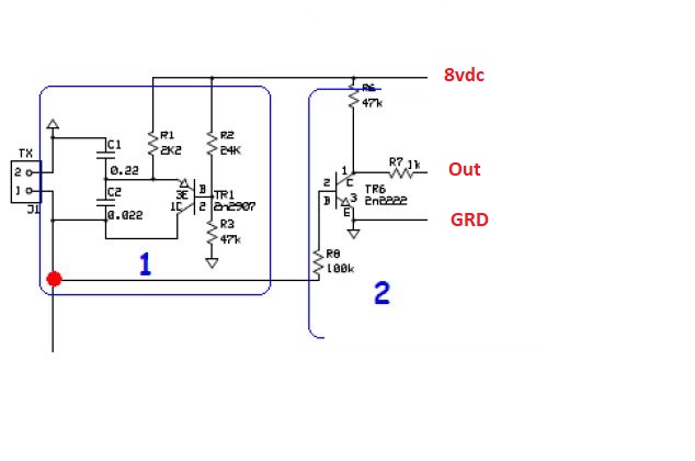
                Some time back I built a mock up of the TGSL tx circuit to test coils. I can do the same with it. Click image for larger version

Name:	TxMockUpOsc.JPG
Views:	2
Size:	29.1 KB
ID:	355165

                Comment

                Working...
                X