PLease Help,I need pcb design in layout5.0 for my schematic(thermometer)
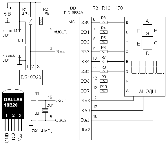
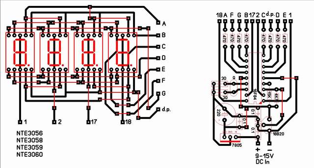
here is schematic can anyone make for me,because I dont know how to do it.
regards macobt
here is schematic can anyone make for me,because I dont know how to do it.
regards macobt

Comment