Hello everyone. I'm currently working on a tone id mod for my xl pro. Does anyone have any ideas on where I can get a signal to switch the tone from the 411hz threshold tone to the tone I want it to be when going over a target? I'm currently using the disc gate to switch the tone but I'm getting timing issues and it's someone erratic. My setup is rather simple. Im using an atmega micro controller to change a output frequency based on the meter position. I don't like how the threshold changes when the meter moves so I took this variable frequency signal through a 4053 IC to switch between the original 411hz signal and my variable signal. The disc gate is used to switch between the two. Maybe I'm going about this all wrong. I would like to hear anyone's opinions on this. Thank you all.
Announcement
Collapse
No announcement yet.
Announcement
Collapse
No announcement yet.
Whites XL Pro Tone Mod
Collapse
X
-
I will have to look into that. I'm thinking about ditching the 4053 and just doing everything through the micro. When I get some time I will work at it some more. I'd like to create an open source mod for all to use as they wish. I know a few people who have a mod for it but it's all hush hush and they've long been gone. I do have my mod working on the GEB Disc mode very well, but it doesn't work well in the all metal modes. I suppose I could just disable it in those modes.
Comment
-
I would think that the meter has too much lag time to be useful for audio, but maybe that's just the inertia of the meter and not the driving circuit. It would help a lot to see a diagram of what you are doing. For example, I don't know what you mean by "disc gate." In general, tone ID is created by reading the X & R signals, figuring out the target phase from those, and assigning tones to different phase ranges. I assume the TID meter position is also determined by the X & R signals so it makes sense to use this instead.
Comment
-
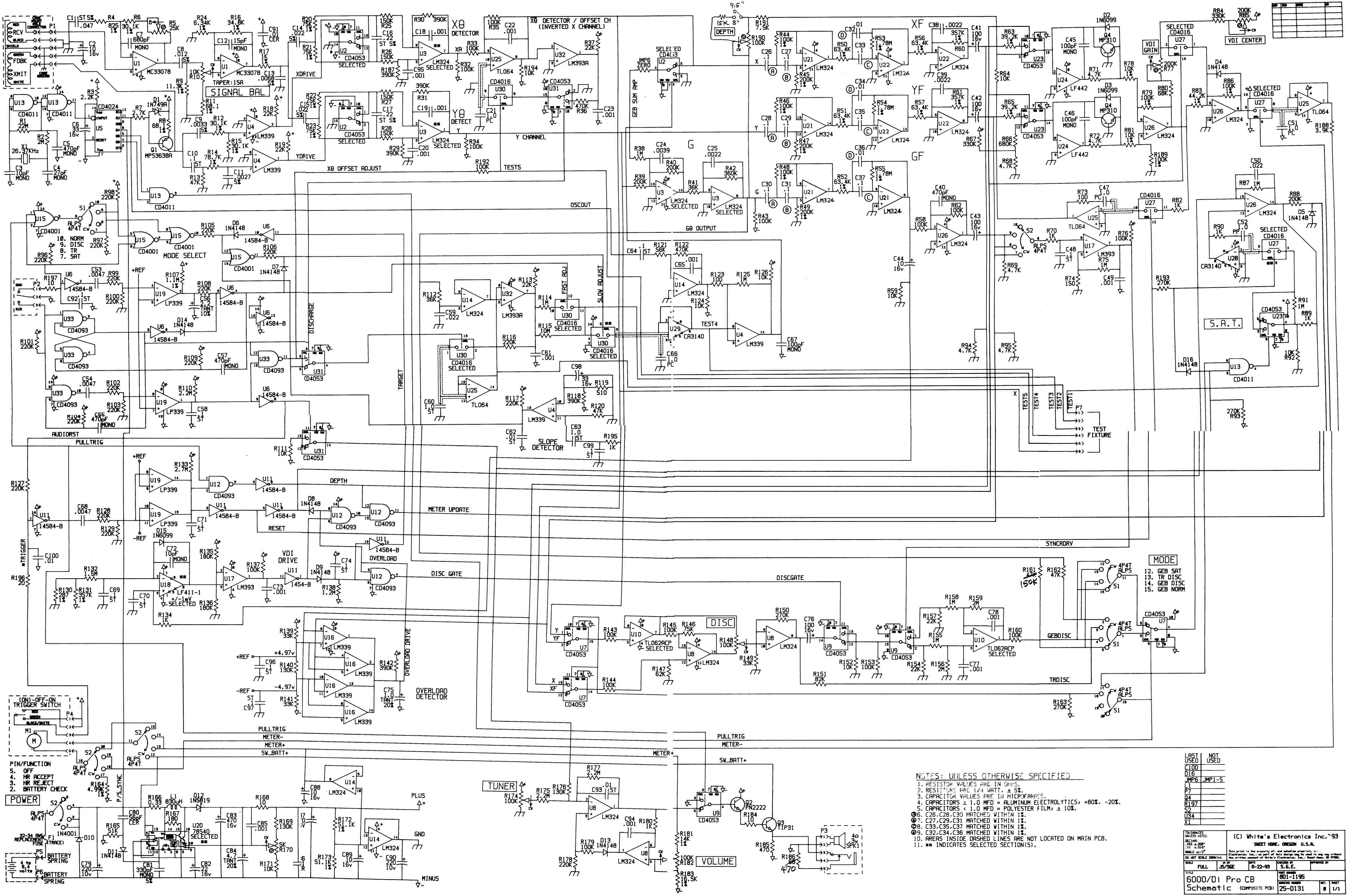
Carl, I attached the schematic that I'm using. The voltage off the meter is rather fast and works great. The "Discrimination Gate" I'm talking about is labeled in the schematic. This is the signal I'm using to switch over to my audio frequency based off the meter. I got the timing issues worked out pretty well so it only changes the tone when a target signal is strong enough to trigger the discrimination circuit. My next problem I'm facing has to deal with trying to get 5v from the detector to operate my microcontroller and chosing where to reference ground from to make everything happy. The microcontroller only allows 0-5v in for an anolog input and the meter is not so trying to interface it all together has been a challenge. Oh and also I'm working on drawing my mod circuit. Once I have enough time to finish it I'll post that as well.Attached Files
Comment

Comment