Announcement

Collapse
No announcement yet.

Announcement

Collapse
No announcement yet.

Mod Fisher cz7a pro

Collapse
X
 
  • Filter
  • Time
  • Show
Clear All
new posts

  • Mod Fisher cz7a pro

    I'm a Fisher cz7a pro owner and I'm wondering if there are mods for this unit.

    Any help would be appreciated.

    Thanks.

  • #2
    Take 5kg hammer in your right hand, rise it up over CZ7pro and.....mod it very hard!!! Mod it again... and again!!! Finally you will get pretty well "moded" CZ7 Pro!!!

    Ha,ha,ha! Dont take this to serious!

    CZ7Pro is actually very hard to mod. What mod? Tough task!
    Only remark i can give to CZ7 would be not so fast and always accurate discrimination. Pretty often it will indicate smaller coloured item as...iron!??
    But despite that, overall...it is excellent machine! No need to mod it...at least not the way i suggested above!
    But...there are plenty enough small trimmers inside to be turned arround and see what happen than!

    Comment


    • #3
      Thank you,
      what do you think about of this mod?
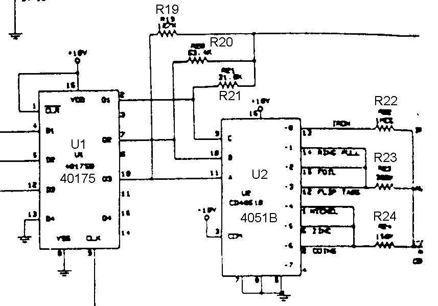
      Here is a 4-Tone Audio ID Mod for the Fisher Quicksilver CZ-7a, CZ-6a and CZ-5a. (Without the mod it only has a 3 tone audio id). You only need to attach a 680 kOhm Resistor at the places indicated and cut off the connection between Pin 14 and 15.
      Attached Files

      Comment


      • #4
        Now...that is very interesting. But without partial schematic which can explain that, i am really not able to understand what you have done there. Dont have any CZ7 right now with me to see. It would be good if you can trace that part and draw part of schematic, where it could be cleary seen what was done. Thanks in advance!

        Comment


        • #5
          no need to draw part of schematic... only digitally shoot back side of PCB in mod's place, the side of components. the schematic we have of, it is clear to draw what there the resistor does.

          hh

          Comment


          • #6
            U1 - 40175, U2 - 4051

            Comment


            • #7
              .
              Attached Files

              Comment


              • #8
                Hallo Kt315, excuse me.
                Works the modification?
                Where you insert the resistance?

                Comment


                • #9
                  Hi Kt315,
                  excuse me.
                  I wanted to know if the modification works.
                  Where you insert the resistance?

                  Comment


                  • #10
                    Originally posted by Apocalypse Now View Post
                    Hi Kt315,
                    excuse me.
                    I wanted to know if the modification works.
                    Where you insert the resistance?
                    hello Apocalypse Now, sorry I did not the mod. the photos are keeping from CZ-5 repair time I did. I only try catch a person's meaning... what the trick does ... I see the mod is really in tone control circuit going VCO...

                    schematic
                    http://rapidshare.de/files/47692047/Fisher_CZ5.zip.html

                    Comment


                    • #11
                      may be you able to de-code these blur abbreviations of U2 pins? my english is so poor... not for tonight romance singing...
                      Attached Files

                      Comment


                      • #12
                        ok thanks

                        Comment


                        • #13
                          If you have additional information that can help me.
                          Thank you.

                          Comment


                          • #14
                            These are photos of the fisher cz 7a pro.
                            Are different from cz6.
                            Attached Files

                            Comment


                            • #15
                              Apocalypse Now, may be you have CZ-70 PRO, not CZ-7?
                              http://www.thetreasuredepot.com/cgi-...pl?read=137836
                              http://www.thetreasuredepot.com/cgi-...pl?read=137679

                              Comment

                              Working...
                              X