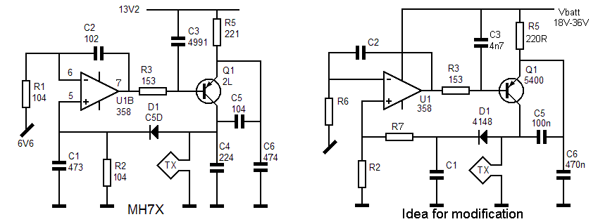
Mod TX of Coinmaster, TM808, Eagle
The purpose of the modification is to suppress parasitic AM of TX when the height of sensing head above conductive ground changes.
The new element is a Schottky diode SD. Resistor R3 is only required during setup.
For setup, TX coil is placed above salt water. The resistance of R2 is reduced untill SD start to conduct short current pulses. This is energy that returns to the supply rails, but not to overdo because it appeared harmonic frequencies in the TX spectrum.


Comment