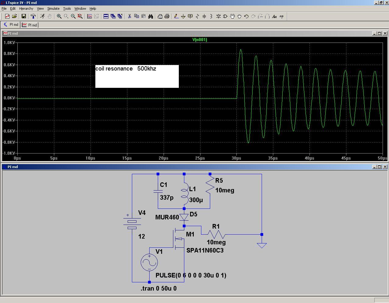
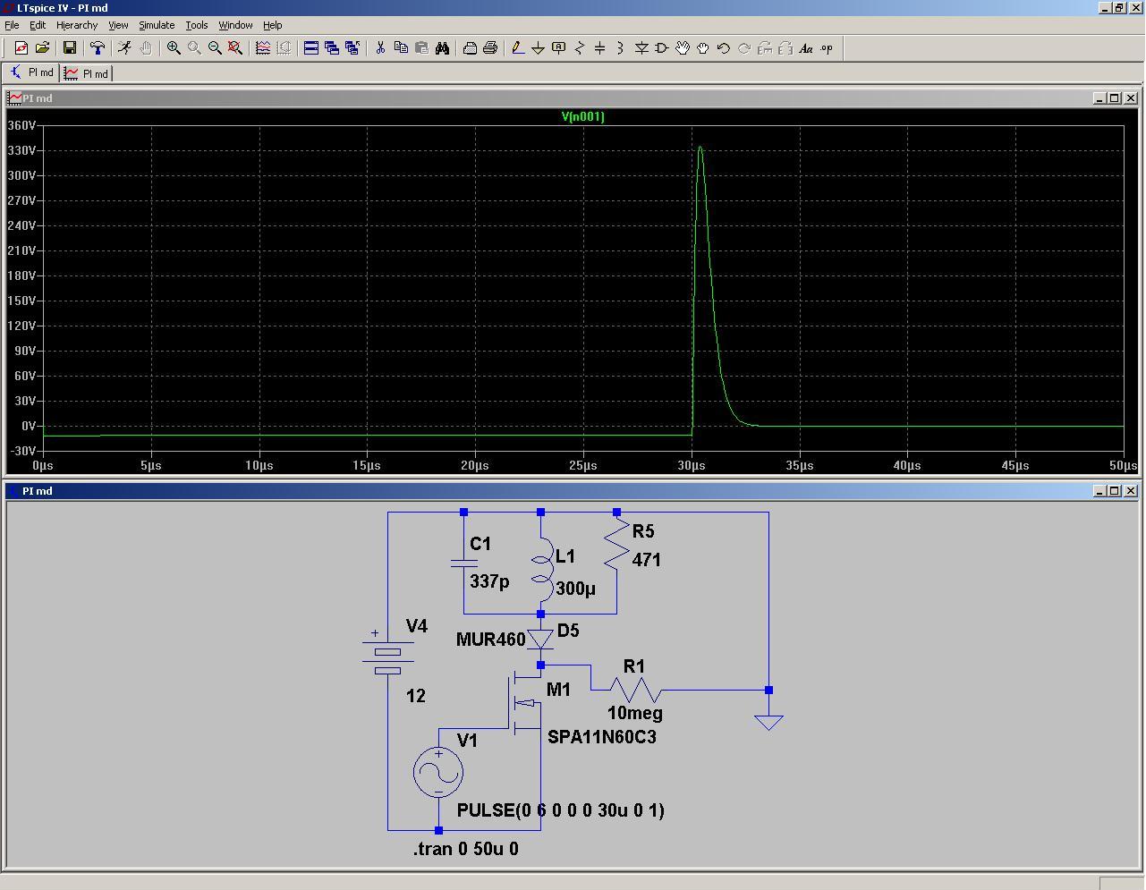
A method for calculating Rd. Not sure if it works all the time, but it works in LTspice and on the bench every time I've tried it. Rd = 3.14 x inductance in uh x resonance in Mhz. 300uh, 800khz resonance equals 3.14 x 300 x .8 = 754 ohms. To get resonance I disconnect the damping resistor, lay the scope probe near the coil driver, measure the decay frequency or calculate with cycles and period with the scope. The only way I've found to get resonance in circuit is with a MUR460 in series with the fet. I'm using a IRF740 in my circuit. A different fet with LTspice. Including some spice plots. Get the same results on the bench except for the fet clamping at 450 volts. Including a uh vs pf resonance chart for a quick look at maximum capacitance for a given resonance.
Announcement
Collapse
No announcement yet.
Announcement
Collapse
No announcement yet.
damping resistor
Collapse
X
-
Nice and simple solution. From experience looks close enough for normal coils, probably even for fast basket type, will be interesting to see someone post exact measured value to compare results. However for flat spiral design typical resistance is about 1\2 of value calculated this way.
Comment
-
The time to damp near zero volts is about 3/resonance for a normal coil. 3/1Mhz equals 3usec. Any idea why the spiral coil calculates Rd that much different. With the same resonance how long does it take for a spiral coil to decay near zero. Thanks for the reply. I'm just learning and what I'm posting is what I've seen. One way to learn is to say something and hope someone corrects if it's wrong or partly right. It doesn't bother me to be wrong. Being wrong and not knowing isn't good. ITMD and the forum has been a big help.Originally posted by Tepco View PostNice and simple solution. From experience looks close enough for normal coils, probably even for fast basket type, will be interesting to see someone post exact measured value to compare results. However for flat spiral design typical resistance is about 1\2 of value calculated this way.
Comment
-
Actually no idea, this is just measured value, 270uH coil with 780kHz SRF will be damped with some 330R. Simulation can be bit complicated due to geometry, after all, this two wire spiral was intended for completely different circuit, fact it can be used in normal detector is just side effect.
Using this calculation, CHANCE PI basket coil is self resonant at around 1.2MHz, probably very close to real value. Now, problem with this coil design, operating with very high value damping, around or over 1K is shielding. It will slow down coil significantly, reducing resistance value slightly. This is why i'm using flat spiral, something like “best of the worst” approach. Basket can be initially faster, but after shielding flat spiral is slowed down less. For example, unshielded coil will operate with some 320-340R resistance, shield will reduce it to some 270R. This is for coil used in normal fashion with standard design detector, used in different configuration can produce slightly more advantage.
Comment
-
Sorry I meant 870kHz. Problem is: you are using lumped element LC model, but coil is distributed parameter circuit. For ordinary coil, approximation is very close to lumped, apparently basket is too, but flat spiral is very far from it. Once I tried complete EM simulation, using MWO3.22 software (very complicated to insert physical model) but unfortunately data is now lost. Personally I prefer “cut and try” with all this, not simulation.
Comment
-
May be best solution for the shape of the coil did not found yet.
Flat spiral is good but shield surface area for flat spiral coil is much bigger than for any other configuration.
So that big area increasing coil to shield capacitance significantly.
Trying 18 turns coil I have checked that flat spiral - 1 turn x 18 layers coil has twice more coil to shield capacitance than combined 2 turns X 9 layers (virtually flat spiral)
sure because shield has twice smaller area.
Comment
-
I posted the spice model because it's easier to show near zero volts. If I test resonance in circuit or with spice it tests a little lower than coil resonance. Not much, the MUR460 helps. If I use the measured resonance the calculation seems to work, maybe a little overdamped. Spice has been fun to try things but it doesn't show all the problems I have with the wired circuit.Originally posted by Tepco View PostSorry I meant 870kHz. Problem is: you are using lumped element LC model, but coil is distributed parameter circuit. For ordinary coil, approximation is very close to lumped, apparently basket is too, but flat spiral is very far from it. Once I tried complete EM simulation, using MWO3.22 software (very complicated to insert physical model) but unfortunately data is now lost. Personally I prefer “cut and try” with all this, not simulation.
Comment
-
The best way to determine the correct value for the damping resistor is on the bench.
Take a 10k pot with a 200R series resistor, and place a 1k2 resistor in parallel. This will allow you to adjust the damping resistor value between 171R and 1k1 without any danger of shorting the coil and letting the smoke out of the mosfet.
Of course, you also require a scope to monitor the output of the preamp, while triggering from the TX oscillator.
Comment
-
I think and practice the same. The best fine RD setting position you can check with your preferable target too.Originally posted by Qiaozhi View PostThe best way to determine the correct value for the damping resistor is on the bench.
Take a 10k pot with a 200R series resistor, and place a 1k2 resistor in parallel. This will allow you to adjust the damping resistor value between 171R and 1k1 without any danger of shorting the coil and letting the smoke out of the mosfet.
Of course, you also require a scope to monitor the output of the preamp, while triggering from the TX oscillator.
Comment
-
Interesting that without oscilloscope you can audibly adjust damping resistor to get that particular target from maximum possible distance and be proud with results.Originally posted by WM6 View PostI think and practice the same. The best fine RD setting position you can check with your preferable target too.
Then get the oscilloscope and see how deeply your coil under dumped
Obvious next step is to reduce damping to get that decay curve to proper shape by the book and loose depth for sure.
Because of my laziness I got stuck is this situation several times.
I think some day some brave explorer will have that methods of using partially dumped coils developed.

Comment
-
You already explored it. Somewhat underdamped coil will work best with almost any classic analog detector. Leaving waveform to bounce in positive direction somewhat, some 20-30% of amplifier output swing (may depend on coil too) will actually prevent early integrator saturation, this positive part will be integrated too, so faster sampling can be used, providing more depth for some objects. With perfect waveform adjusted using scope, integrator will saturate earlier, delay must be increased, you will lose some depth. Cut and try, as usual...
Comment
-
Where is the free lunch now? Let's look at it:
The standard damping resistor formula is:
Rd = 0.5*sqrt(L/C)
The new formula:
Rd = pi * L * 10^-6 * f * 10^6 (in µH and MHz)
Rd = pi*L*f (in H and Hz units now)
1.
Rd = pi*L*f
Resonant frequency:
2.
f = 1/(2*pi*sqrt(L*C))
we put f in the first formula.
Rd = pi*L*1/(2*pi*sqrt(L*C))
Rd = 1/2 * L/sqrt(L*C)
Rd = 0.5 * sqrt(L*L)/sqrt(L*C)
Rd = 0.5 * sqrt(L*L/L*C)
Rd = 0.5 * sqrt(L/C)
q.e.d.
Ok, Mr. green has found the same formula! Unfortunately, no free lunch!

Aziz
Comment

Comment