Originally posted by Hammerhead
View Post
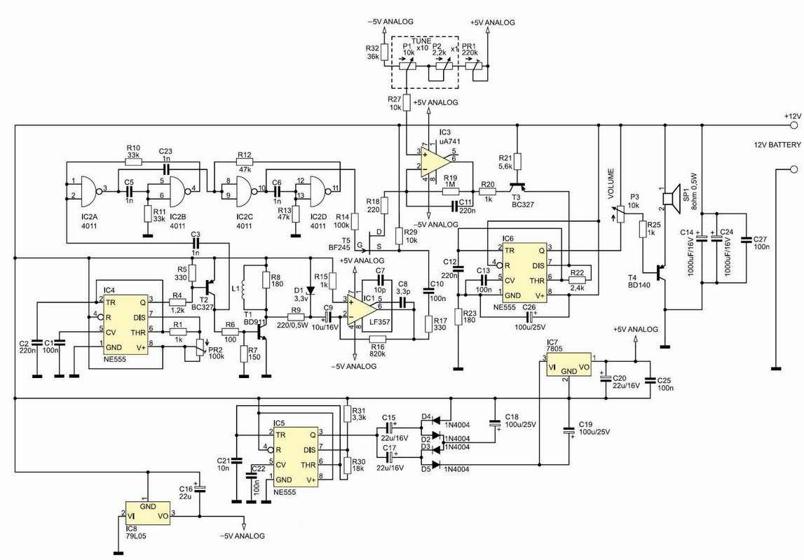
Post the layout and schematic of the pcb for the one that is shown in the youtube video. It seems that it is working but for some small problem in the pre-amp section, it is not detecting.

Comment