Originally posted by 6666
View Post
Announcement
Collapse
No announcement yet.
Announcement
Collapse
No announcement yet.
minimum sample delay
Collapse
X
-
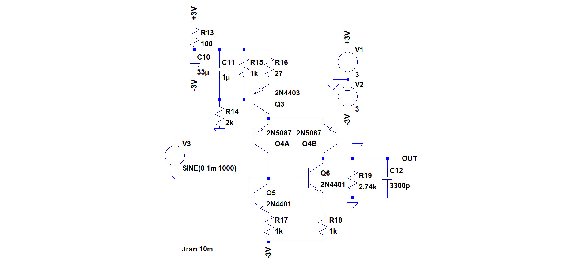
I don't believe there is. I created the circuit in LtSpice and the circuit works... It implements a low noise preamp with a gain of ~150. I had to substitute Q4 (better performance could be obtained with a better match for Q4). The circuit offset is controlled by R14.Originally posted by bklein View Postis there a schematic error with Q5/6 bases?
Comment
-
Rd=pi*L*resonant frequencyOriginally posted by 6666 View PostCarl's method of measuring resonance is most accurate, as the result will have included ALL of the capacitance (intended and unintended) of the TX circuit (i.e. coil, MOSFET, cable, internal wiring/routing, etc.). Also the correct damp resistance is not just a function of resonant frequency, but more importantly a function of the ratio of inductive reactance relative to capacitive reactance (which corresponds to the ratio of L to C as well as frequency). In other words if 2 coils have the same resonant frequency but different ratios of L to C, they require different damp R values.
Where is Carl's method described ? thanks
Comment

Comment