Announcement

Collapse
No announcement yet.

Announcement

Collapse
No announcement yet.

GS 5 THRESHOLD PROBLEM

Collapse
X
 
  • Filter
  • Time
  • Show
Clear All
new posts

  • #91
    Originally posted by dbanner View Post
    You are correct. MPP is derived from Eric's Minipulse( two stage preamp added, also some other small changes). But the PCB from silver dog is unique and original to the kit. As for gs5, mr. Foster is simply giving technical support for his own product.
    But I personally don't have any knowledge of the fiduciary dealings made between various parties, nor do I care. I simply enjoy the kits offered for sale. People are entitled to pursue their own legitimate entrepreneurial ambitions If that is their pleasure. Perfectly ok by me.
    KT315, you can read between the lines, you are smart person. Ask yourself why is there only pic of top side of gs5 pcb here on forum, but no bottom side?
    It is just how it is. Different mindset between those who have, and those who have not. It is sanctimonious hypocrisy.
    You are quite wrong Mr Banner. I have no objection to anyone who wants to 'pursue their own legitimate entrepreneurial ambitions'. If they wish to back engineer, trace out circuits, lay out pcb's, find alternate and sometimes better ways of doing things - no problem. Since the Goldscan 1 was introduced in 1982, there have been variations and improvements that culminated in GS5 in 2005. Further variations and improvements continued into 2008 (GS5C) when Whites purchased the design as a basis for the TDi. There are a lot of GS5's out there, as well as a host of earlier detectors, some of which will appear on the second hand market. All my designs are double sided pcb's, which are easy to copy and modify. There is no SMD GS5 as KT315 suggests. Why should I get involved with these activities, which take up considerable amounts of time, when I have my own 'entrepreneurial ambitions' in areas of further research? Just looking at posts on the Geotech Forum, the hobby/home experimenter/kit market is alive and well without my getting further involved.

    Eric.

    Comment


    • #92
      Originally posted by Ferric Toes View Post
      You are quite wrong Mr Banner. I have no objection to anyone who wants to 'pursue their own legitimate entrepreneurial ambitions'. If they wish to back engineer, trace out circuits, lay out pcb's, find alternate and sometimes better ways of doing things - no problem. Since the Goldscan 1 was introduced in 1982, there have been variations and improvements that culminated in GS5 in 2005. Further variations and improvements continued into 2008 (GS5C) when Whites purchased the design as a basis for the TDi. There are a lot of GS5's out there, as well as a host of earlier detectors, some of which will appear on the second hand market. All my designs are double sided pcb's, which are easy to copy and modify. There is no SMD GS5 as KT315 suggests. Why should I get involved with these activities, which take up considerable amounts of time, when I have my own 'entrepreneurial ambitions' in areas of further research? Just looking at posts on the Geotech Forum, the hobby/home experimenter/kit market is alive and well without my getting further involved.

      Eric.
      Mr. Foster, my comments were never intended for you or anyone on this particular thread, I want to be clear about that.
      So please dispel any notion that I was making any reference to you. I have only the highest respect for you.
      For clarity, I am referring to another thread which someone posted a pic of gs5 main pcb top side, but when asked if he could put pic of bottom side, went into convenient silence. As I recall, he claimed to have the main board on the workbench from which he took a hi res pic of top side. But somehow could not put pic of bottom side. Ha.

      Comment


      • #93
        i think on a website like this which is open to the general public it can be difficult for some to post say like full schematics or even shots of classic detectors like GS 5 cause for one the material content belongs to the designer and not to any of us..most of us on this website make detectors for our own use but there are some from certain countries who will copy classic detectors to manufacture to make money which is very unfair for the designer of the product who will not benifit in any way from this...so i think its a very grey area so to speak.

        Comment


        • #94
          I had a closer look at the protection circuitry pcb from battery, it contains a chip marked 2158 which appears to be a monolithic step down switch mode converter. Not sure about what it's doing or even of it's function. Maybe this isn't protecting anything.? The datasheet gives output voltage of 1.2V@1 amp.
          Attached Files

          Comment


          • #95
            I would like to be able to know what the difference between GS5 and GS5C is. If someone can comment, I will be very grateful. José

            Comment


            • #96
              Originally posted by dbanner View Post
              I had a closer look at the protection circuitry pcb from battery, it contains a chip marked 2158 which appears to be a monolithic step down switch mode converter. It's on a small pcb strip which could easily be taped on to another lithium battery.( Of comparable specs) This will protect battery from discharging below.
              I must respectfully disagree that the chip marked 2158 is a step down converter. It does not make any sense to use that chip.
              I am sure that the chip is a Voltage comparator and MOSFET switch specifically designed for Li-ion protection. There is a huge market for such a chip, millions of Li-ion batteries, so a chip with the needed functions would be designed and produced.

              Here is the typical ciruit used:
              https://www.digikey.com/en/maker/blo...ell-protection

              Are there any other parts, chips on that protection board?
              Can you please post a good photo of this protection board?

              Comment


              • #97
                Originally posted by waltr View Post
                I must respectfully disagree that the chip marked 2158 is a step down converter. It does not make any sense to use that chip.
                I am sure that the chip is a Voltage comparator and MOSFET switch specifically designed for Li-ion protection. There is a huge market for such a chip, millions of Li-ion batteries, so a chip with the needed functions would be designed and produced.

                Here is the typical ciruit used:
                https://www.digikey.com/en/maker/blo...ell-protection

                Are there any other parts, chips on that protection board?
                Can you please post a good photo of this protection board?
                Yes, yes, I fully agree. I jumped the gun on this one. From datasheet it doesn't make sense. Maybe isn't for protection at all. I not sure what it's function is or even if its the same chip. My camera on phone is not good enough for tiny chip. It says 2158 on the chip and is 8 legs as in datasheet I posted. There is also other 6 leg chip(3 on each side) marked 5231C. I think is small resistor array. I will investigate further.

                Comment


                • #98
                  Originally posted by dbanner View Post
                  Mr. Foster, my comments were never intended for you or anyone on this particular thread, I want to be clear about that.
                  So please dispel any notion that I was making any reference to you. I have only the highest respect for you.
                  For clarity, I am referring to another thread which someone posted a pic of gs5 main pcb top side, but when asked if he could put pic of bottom side, went into convenient silence. As I recall, he claimed to have the main board on the workbench from which he took a hi res pic of top side. But somehow could not put pic of bottom side. Ha.
                  Thank you for your quick explanation which is fully accepted.

                  Eric.

                  Comment


                  • #99
                    I use this module https://www.ebay.com/itm/Protection-...-/323202856662

                    The board is protecting your batteries! If any one of 3 cells get under 3V, it disconnect Vout immediatelly! I was surprised, why my machine stoped working, when it happened for the first time

                    I tried to find out if is possible to change this value to 3,5V but it seems that it is internaly set :-/

                    And surprise was also... You need to apply 12V to Vout to turn it on for the first time, otherwiase it looks like its dead. Then it produce Vout until you over-discharge it.

                    Comment


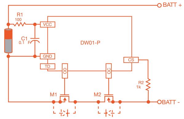
                    • I figured out the 6 pin IC is single battery voltage protection IC like the DW01-P. The other chip could be a micro? The little circuit board also monitors battery temperature as well.(referring to little pcb I pulled out of mobile phone battery. It is definitely battery protection circuitry (PCM)

                      Comment


                      • Originally posted by Hyena View Post
                        I use this module https://www.ebay.com/itm/Protection-...-/323202856662

                        The board is protecting your batteries! If any one of 3 cells get under 3V, it disconnect Vout immediatelly! I was surprised, why my machine stoped working, when it happened for the first time

                        I tried to find out if is possible to change this value to 3,5V but it seems that it is internaly set :-/

                        And surprise was also... You need to apply 12V to Vout to turn it on for the first time, otherwiase it looks like its dead. Then it produce Vout until you over-discharge it.
                        i say again I DO NOT NEED protection board -!!! i get 12V from 3.7V and NO THAT PROTECT.

                        Comment


                        • Originally posted by kt315 View Post
                          i say again I DO NOT NEED protection board -!!! i get 12V from 3.7V and NO THAT PROTECT.
                          I do not offer you any. Congratulation to that
                          I just have this experience and often read "It might not protect". This one does. Thats basicaly all, no need to get upset

                          Comment


                          • Edited

                            Comment


                            • Well I found out what my 8 pin chip was on my single Lithium battery PCM, it is a dual n-channel MOSFET.
                              This together with a battery protection IC is all there is.
                              Two important parameters in battery ICs are overvoltage threshold and undervoltage threshold. These numbers are the voltage levels at their limit; the IC will cut the cell out of circuit if the cell is being overcharged or over-discharged. These values are typically designed into battery protection ICs. These ICs come in a variety of threshold mixes,
                              Here is the circuit below. The same as the little board I pulled out of old phone battery.
                              Attached Files

                              Comment


                              • Originally posted by dbanner View Post
                                Well I found out what my 8 pin chip was on my single Lithium battery PCM, it is a dual n-channel MOSFET.
                                That makes sense.The other chip is then the Voltage comparator and gate driver.

                                Comment

                                Working...
                                X