Announcement

Collapse
No announcement yet.

Announcement

Collapse
No announcement yet.

Please guide me

Collapse
X
 
  • Filter
  • Time
  • Show
Clear All
new posts

  • Please guide me

    I've build Mike Starcher detector, BlindSq. Working good with 45cm coil. Now I'm going to use it with very large coil, the target is 3 meter deep at size 50 litre stainless steel drum. I have 2.5m circle coil already (380uh 1.8 ohm with damping currently 470R 5Watt). I still doubt to plug into the circuit yet, I want the right move before doing it. Before started, I need advice from anyone here. Question are:
    1. Is it possible using Squirrel for this search?
    2. Is 1.3A battery will do?
    3. For this target what is the right config: what freq? tx pulse width, sample pulse width?
    Thank you so much for any suggestion.

    Regards,
    Taufik
    Attached Files

  • #2
    1. For running a large coil you want a zero-motion PI circuit which the Blind Squirrel is. So in that respect it is a good choice. The only question then is whether it has enough depth.

    2. Should be fine.

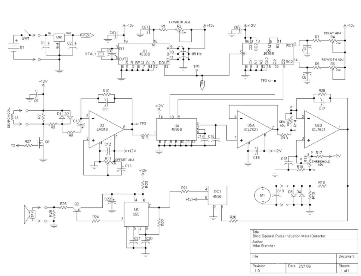
    3. For a large steel drum you probably want a TX pulse with of at least 250us. Run the frequency as high as you can, this will be limited by the heat that is generated in Q1, R7, and R8. 1kHz should be possible. The sample delay should be as fast as you can do it (it will be limited by the wider TX pulse width) and the sample width can be fairly wide, say 50us.

    Always use an identical test target to see what works the best.

    Comment


    • #3
      Agreed, you need an identical test target to try out your machine. Stainless steel is funny stuff, a terrible electrical conductor, but with almost no ferromagnetic characteristics either.
      I'm estimating a 50 litre drum to be 35cm diameter and 50cm high (14 inch x 20 inch for old folks )
      This sort of item, perhaps:
      https://www.polsinelli.it/en/50-l-st...ottom-P854.htm

      Comment


      • #4
        Originally posted by Carl-NC View Post
        1. For running a large coil you want a zero-motion PI circuit which the Blind Squirrel is. So in that respect it is a good choice. The only question then is whether it has enough depth.

        2. Should be fine.

        3. For a large steel drum you probably want a TX pulse with of at least 250us. Run the frequency as high as you can, this will be limited by the heat that is generated in Q1, R7, and R8. 1kHz should be possible. The sample delay should be as fast as you can do it (it will be limited by the wider TX pulse width) and the sample width can be fairly wide, say 50us.

        Always use an identical test target to see what works the best.
        This is so precious!! Many many thanks for this valuable knowledge Mr. Carl

        Originally posted by Skippy View Post
        Agreed, you need an identical test target to try out your machine. Stainless steel is funny stuff, a terrible electrical conductor, but with almost no ferromagnetic characteristics either.
        I'm estimating a 50 litre drum to be 35cm diameter and 50cm high (14 inch x 20 inch for old folks )
        This sort of item, perhaps:
        https://www.polsinelli.it/en/50-l-st...ottom-P854.htm
        Very informative Mr. Skippy, Thank you!!

        Comment


        • #5
          Oops, I missed the word "stainless." I was assuming a steel drum. You will definitely need a good test target to get this right.

          Comment


          • #6
            Hopefully I can report here in several days, after changing freq etc. But it seem on the jumper table shows:
            C B A Frequency
            0 0 0 6.9 Khz
            0 0 1 3.4 Khz
            0 1 0 1.7 Khz
            0 1 1 873 Hz
            1 0 0 436 Hz
            1 0 1 218 Hz
            1 1 0 109 Hz
            1 1 1 54 Hz
            To have 1khz is difficult for me to decode, nearest would be 873hz

            Comment


            • #7
              I don't think Carl meant precisely1kHz , he meant 'up to 1 kHz'. It's not that critical.
              However, if you do want more choice of frequencies, you could change the quartz crystal. Choosing 2.4576 MHz would give a range of intermediate frequencies, as it is approximately 0.7 x 3.579 MHz. Choices would be 4.8 kHz, 2.4 kHz, 1.2 kHz, 600 Hz, 300 Hz, 150 Hz etc.

              Comment


              • #8
                I see. Incredible inputs Mr. Skippy, thanks a lot! I'm ordering the xtall now. I'm going to use 1.2Khz option. Regards
                Last edited by Op04; 09-21-2021, 07:58 AM. Reason: Add a line

                Comment


                • #9
                  I have found some stainless targets hard to detect. Have some stainless bowls that I tested this morning, guessing Op04 target could have a longer time constant. The bowls I tested should be easy to detect.

                  Suggested bowls should be easy to detect if coil is large enough. Wondering if true if detector doesn't have ground balance.
                  Attached Files
                  Last edited by green; 09-21-2021, 03:05 PM. Reason: added sentence

                  Comment


                  • #10
                    For the benefit of OP04, what Mr. Green's picture shows is that a large stainless steel bowl has a decay time-constant of 30 microseconds. This is quite short, it's comparable to a USA zinc-cored 1 cent coin 'Zincoln', for example. Such a coin may be of some use when doing basic tests on this Squirrel machine.

                    Comment


                    • #11
                      Originally posted by Skippy View Post
                      For the benefit of OP04, what Mr. Green's picture shows is that a large stainless steel bowl has a decay time-constant of 30 microseconds. This is quite short, it's comparable to a USA zinc-cored 1 cent coin 'Zincoln', for example. Such a coin may be of some use when doing basic tests on this Squirrel machine.
                      Another possible test target. Aluminum coke can has a time-constant of around 35sec.

                      Found a decay chart, looks like aluminum coke can time-constant is closer to 40usec.
                      Last edited by green; 09-21-2021, 04:57 PM. Reason: added sentence

                      Comment


                      • #12
                        it's a great honor for me, received these valuable information. Still need a couple days to finish some work. I get back soon to test with smaller coil. Many Thanks Mr. Green & Mr. Skippy. Regards
                        Add:
                        Does switching beetween smaller and the big coil could give effect or damaging the circuit?

                        Comment


                        • #13
                          Test with small coil

                          I finally got the time to do some test. I can't find my 45cm coil, so I made a new smaller 18.6 cm diameter just for this. Unfortunately I can't reach o'scope (I usually borrow from a friend but he's out of town). So I put fixed resistor for the sample width (R4) 12k (assuming I get 49us nearly to 50us) and R6 at 6k8 for 30us delay. I also guessing the maximum TX width I get 270us from measurement R2 by 21.3k ohm. Ignore the LM78H12K which damage during test (before, using 24V / 2 series battery) so I bypass directly from 1.3A 12V gel battery. The top I get from stainless water jug is around 45cm. I still don't know how this performed compare to the big coil.
                          Attached Files
                          Last edited by Carl-NC; 12-05-2021, 11:42 PM. Reason: Remove pic by request

                          Comment


                          • #14
                            What Mr. Carl pointed R8 will be hot, it's true. After several hour testing, R8 is so hot, replaced with 2watt rated still hot. IRF740 is hot but I can still touch it, Should I change R8 to higher wattage? Meanwhile everything stable enough.
                            Attached Files

                            Comment


                            • #15
                              If the resistor is getting discolored then you need a higher wattage.

                              Comment

                              Working...
                              X