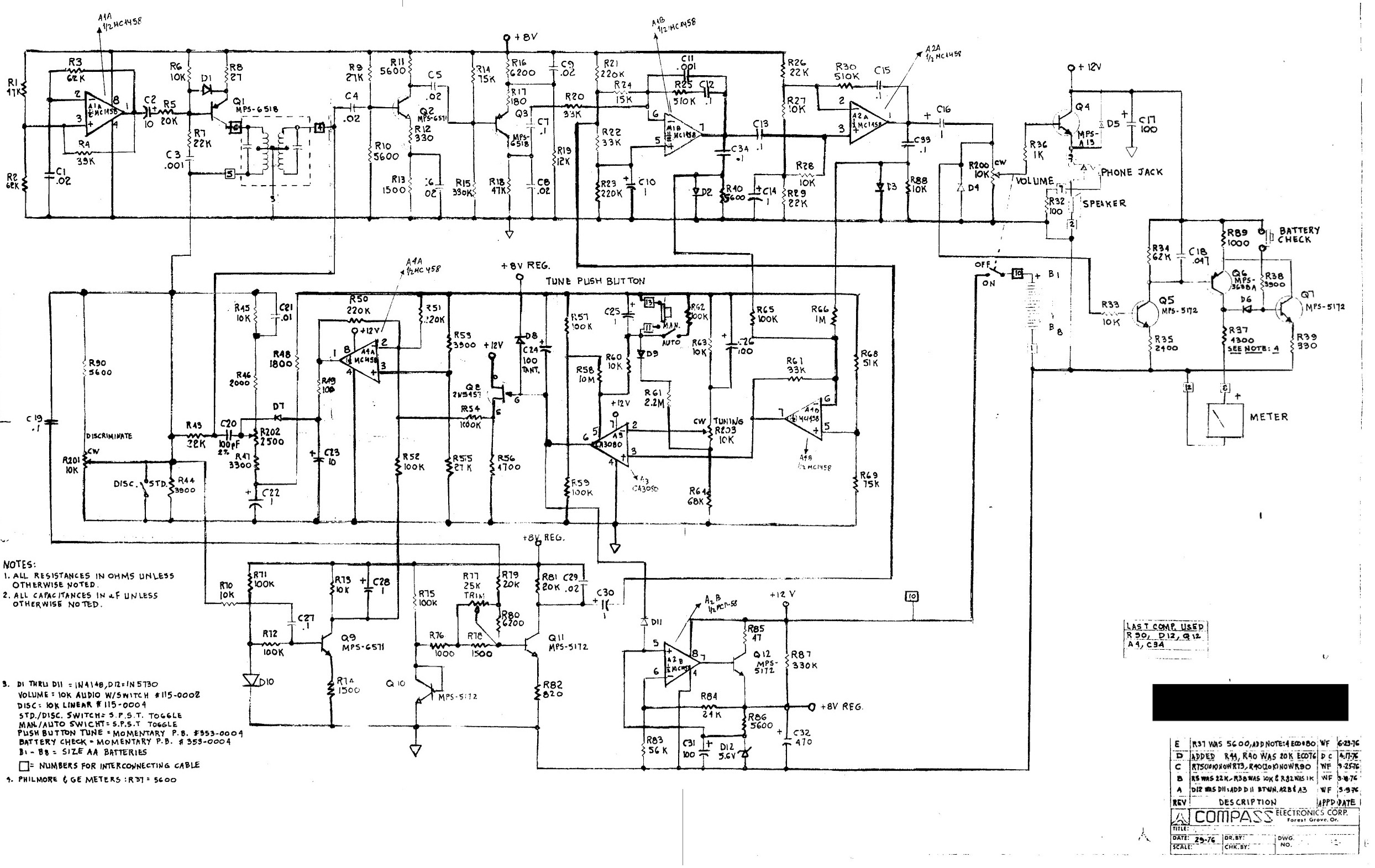
I have decided to post some Compass schematics many of which are courtesy of Bill Hays. Some of the schematics I post may have been posted before, but I am trying to put as many as possible all in the same thread.
Regcompass 84b maybe.pdfcompass 94b maybe.pdfcoin hustler 2.pdfRelic Magnum 6.pdfJudge 2 schematic.pdf
Reg
Regcompass 84b maybe.pdfcompass 94b maybe.pdfcoin hustler 2.pdfRelic Magnum 6.pdfJudge 2 schematic.pdf
Reg

Comment