Ok I understand You are a busy man
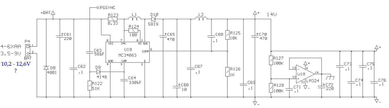
. Could You tell just a little more about those tests, maximum range for typical subjects in air, is it masking works fine-better compare to Classic`s/IDx? I can`t find any info about those two coils at the PCB (L1 and L2), this big red cappacitor what kind of is, and what about connections to pots/switches?
. Could You tell just a little more about those tests, maximum range for typical subjects in air, is it masking works fine-better compare to Classic`s/IDx? I can`t find any info about those two coils at the PCB (L1 and L2), this big red cappacitor what kind of is, and what about connections to pots/switches?

, for shielding better will by graphite.
Comment