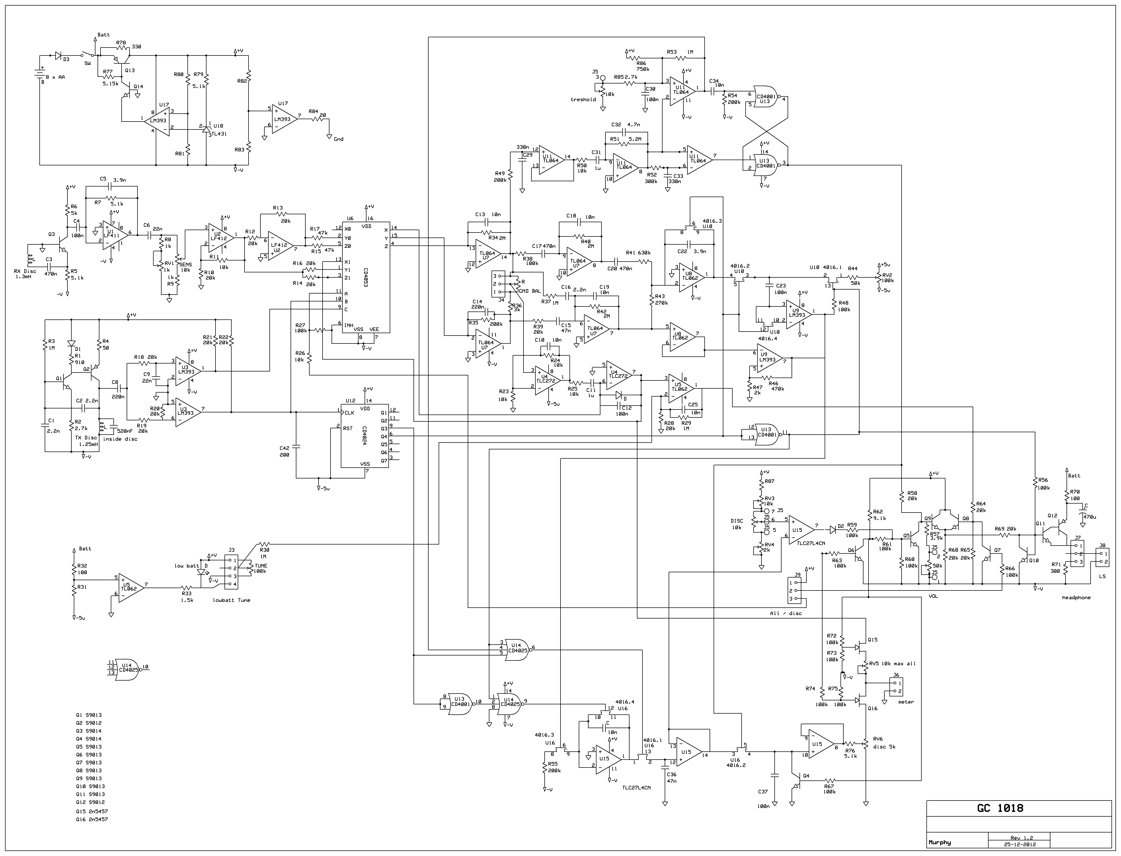
Upload the schematics again with some bug corrections, I believe it is correct now.
http://speedy.sh/Zemv8/1018-f.sch
right click the circuit and then view image, for a larger view
cheers Jan
http://speedy.sh/Zemv8/1018-f.sch
right click the circuit and then view image, for a larger view
cheers Jan

Comment