Announcement

Collapse
No announcement yet.

Announcement

Collapse
No announcement yet.

Garrett Master Hunter ADS III.

Collapse
X
 
  • Filter
  • Time
  • Show
Clear All
new posts

  • Garrett Master Hunter ADS III.

    Ian, here is the pic. as you can see the board does not conform with the "Garrett Master Hunter ADS III". The pictured ADS III's Serial # is 0976-054. I think that the circuit board is from a previous Model and I don't know where the OLD Catalogues are at in all my STUFF, to be able to ID it with. I have left a message with Garrett's Tech Department and maybe they'll be able to ID the Board. If it looks like something that you can use then send me an EMail and I'll ship it.

    Click image for larger version

Name:	Garrett ADS III post .jpg
Views:	1
Size:	421.0 KB
ID:	368317


    Sincerely
    Bill Adams

  • #2
    Is this it?
    Attached Files

    Comment


    • #3
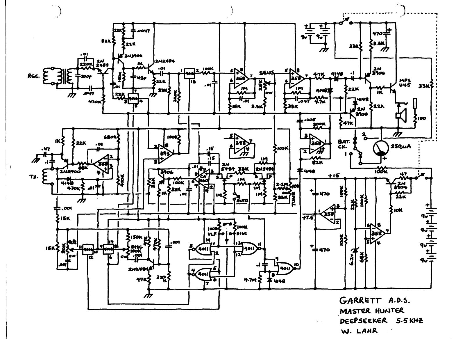
      5.5k MarksMan Deepseeker 1978-80 mdl.

      Smity, The Circuit board IS NOT from the ADS III, I took the picture that way to show Ian the Relationship between the different Knobs on the two machines. Follows is the email I sent to Ian after I got off the phone with the EXPERIENCED Tech at garrett. Ed has been at Garrett for 25+ years.

      "Ian, I just got off the phone with ED at garrett and he said that the board I have is from an 1978-80 5.5khz Marksman Deepseeker and that it was a precurssor to the Master Hunter series. It is manually adjusted for ground tune and other manual adjustments. so it isn't what you guys need."

      I don't think that the Schematic you posted Smitty is for the Board in the pics. But I could be wrong. Ed said if he can find a picture of the Machine that fits the board then he'll send it to me. If he does I'll post the pic here for everyone to refereence.

      Follows is a pic of the Componet side of the Circuit Board. Just take the Previous pic of the board and Rotate it 180deg Vertically. After studying the pic closeup I noticed transformer/coil at the left of the board is KIND OF DARK????? Maybe that is why Harry Bowen of "Bowens Hideout, Spokane, WA" had it laying around. I bought a bunch of Stuff from Harry and Lucy when they were Selling the business. He couldn't remember what it went to, but I figured that there were enough pots and other parts to make it worth my while to pack it through 5 moves since then.



      Click image for larger version

Name:	5.5k MarksMan CropPost.jpg
Views:	1
Size:	334.7 KB
ID:	336139

      Sincerely
      Bill Adams

      Comment


      • #4
        Well guys an gals here is the picture that Ed sent me. I stand corrected it's NOT "5.5k Marksman" but a 5.5k Coin Hunter vlf/tr deepseeker.

        AND if you want to know what that would COST today take a look at this;

        If you want to compare the value of a $249.95 Income or Wealth, in 1977 there are three choices. In 2012 the relative:
        historic standard of living value of that income or wealth is $947.00
        economic status value of that income or wealth is $1,350.00
        economic power value of that income or wealth is $1,930.00

        from this website; http://www.measuringworth.com/uscomp...ativevalue.php



        Click image for larger version

Name:	1977 DEEPSEEKER.jpg
Views:	1
Size:	184.4 KB
ID:	336144


        Enjoy, I need to go back to making the schematic for the SD2200V2.
        Sincerely
        Bill Adams

        Comment

        Working...
        X