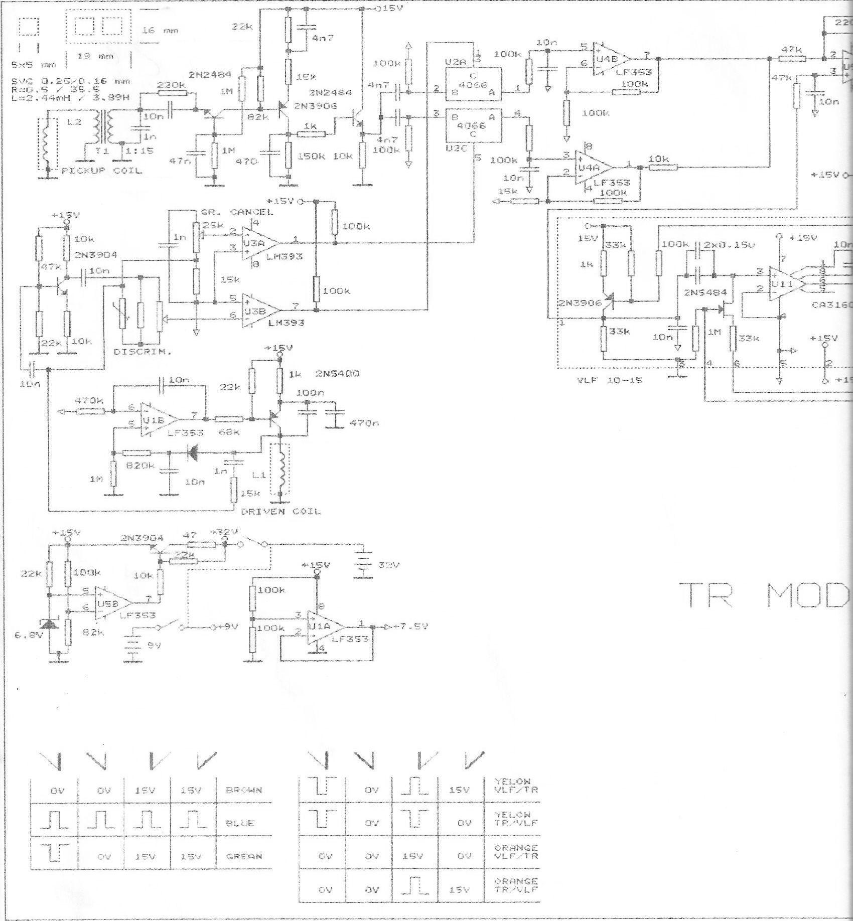
lost my master hunter cx folder on my computer.
does anyone have a schematic they can post or send me in a PM?
thanks.
i had the folder this morning and now its gone...i should have printed it off
thanks
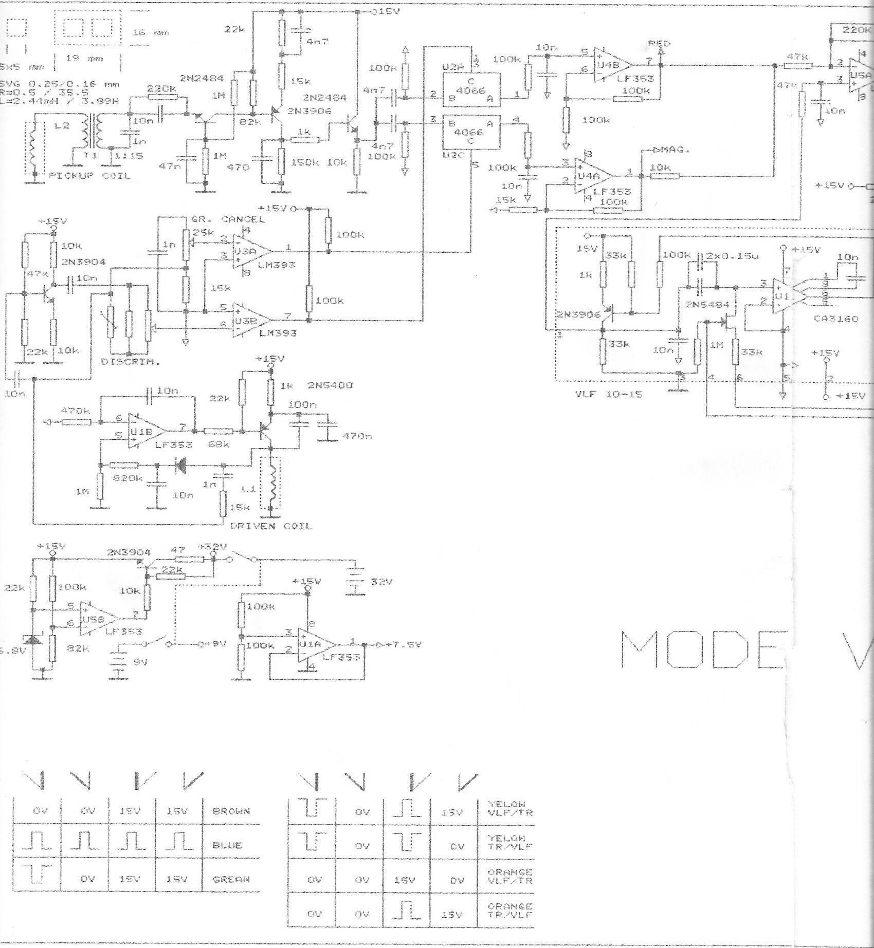
does anyone have a schematic they can post or send me in a PM?
thanks.
i had the folder this morning and now its gone...i should have printed it off
thanks

Comment