Announcement
Collapse
No announcement yet.
Announcement
Collapse
No announcement yet.
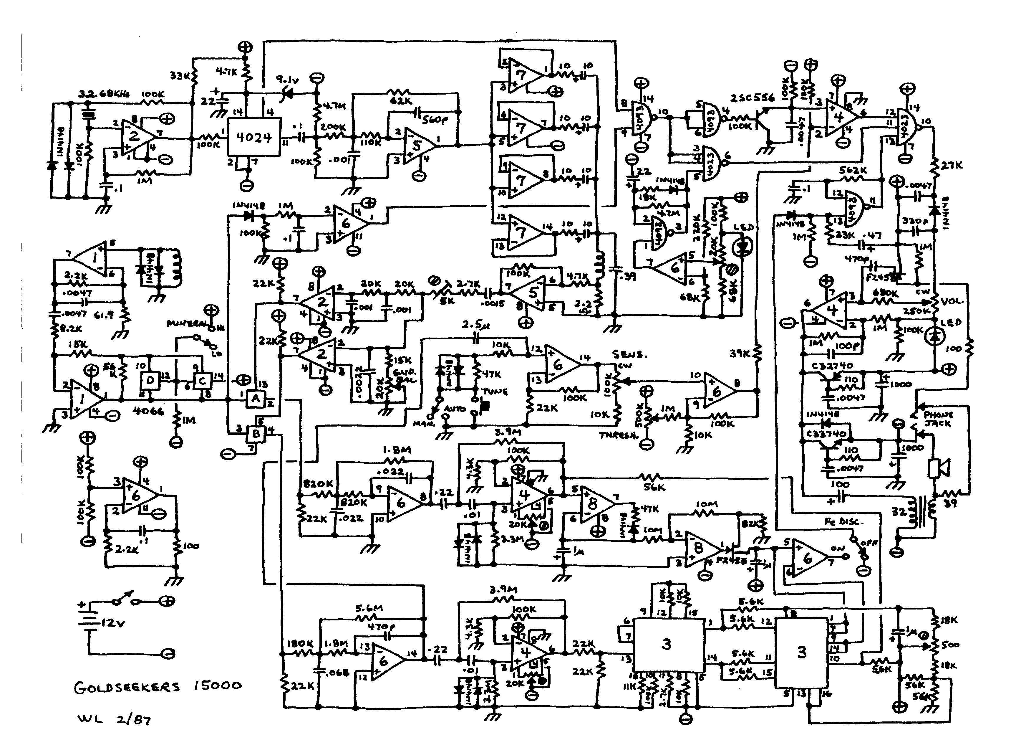
Minelab Gold Seekers 15000
Collapse
X

Comment