Announcement

Collapse
No announcement yet.

Announcement

Collapse
No announcement yet.

Minelab Muskeeter. Hep!!!

Collapse
X
 
  • Filter
  • Time
  • Show
Clear All
new posts

  • Minelab Muskeeter. Hep!!!

    Good morning everyone!

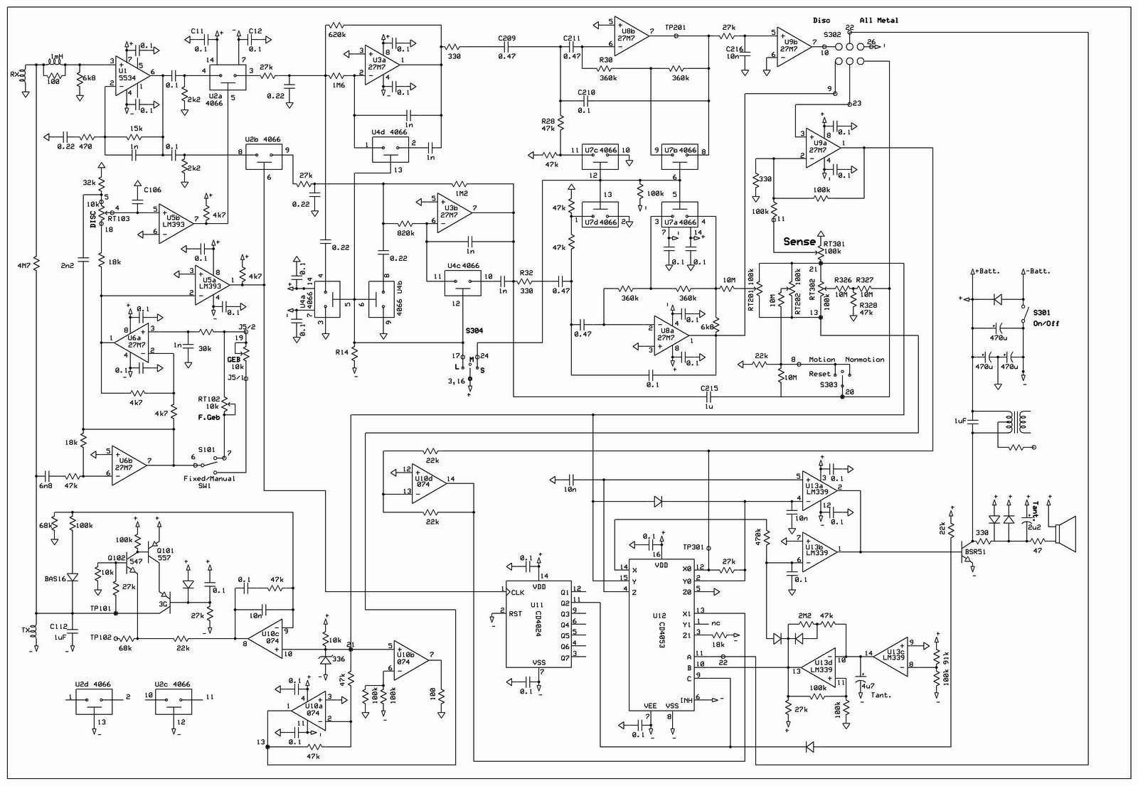
    I'm trying to fix my Minelab muskeeter xs, I have a problem with the threshold that is not 'stable.

    Does anyone have the schematic of this metal?

    Thanks in advance.

    Carlo.

  • #2
    Click image for larger version

Name:	muske_sch.jpg
Views:	3
Size:	165.8 KB
ID:	342571

    Comment


    • #3
      thanks kt315!!! friendly !!!!

      Comment

      Working...
      X