If this is your first visit, be sure to
check out the FAQ by clicking the
link above. You may have to register
before you can post: click the register link above to proceed. To start viewing messages,
select the forum that you want to visit from the selection below.
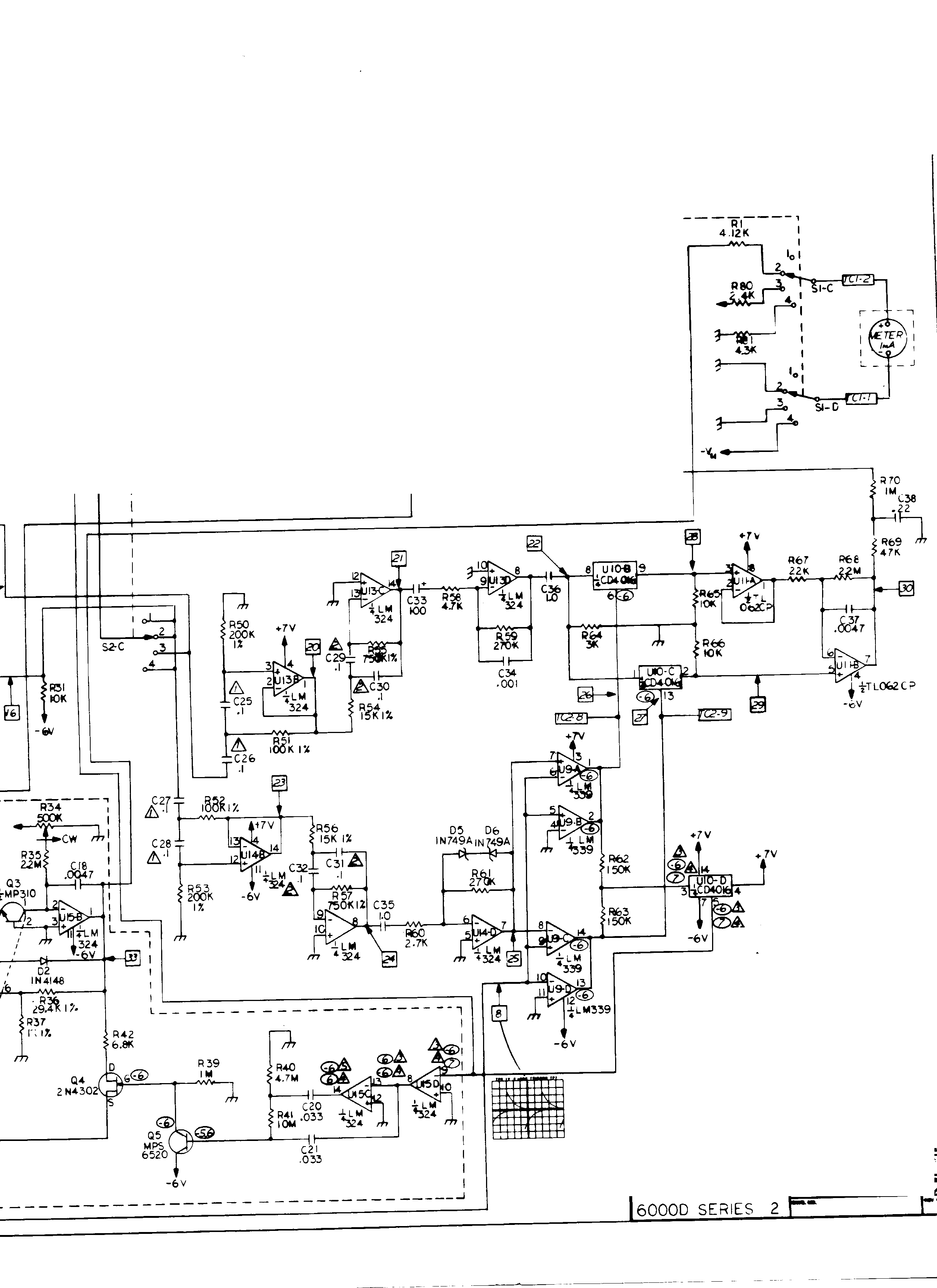
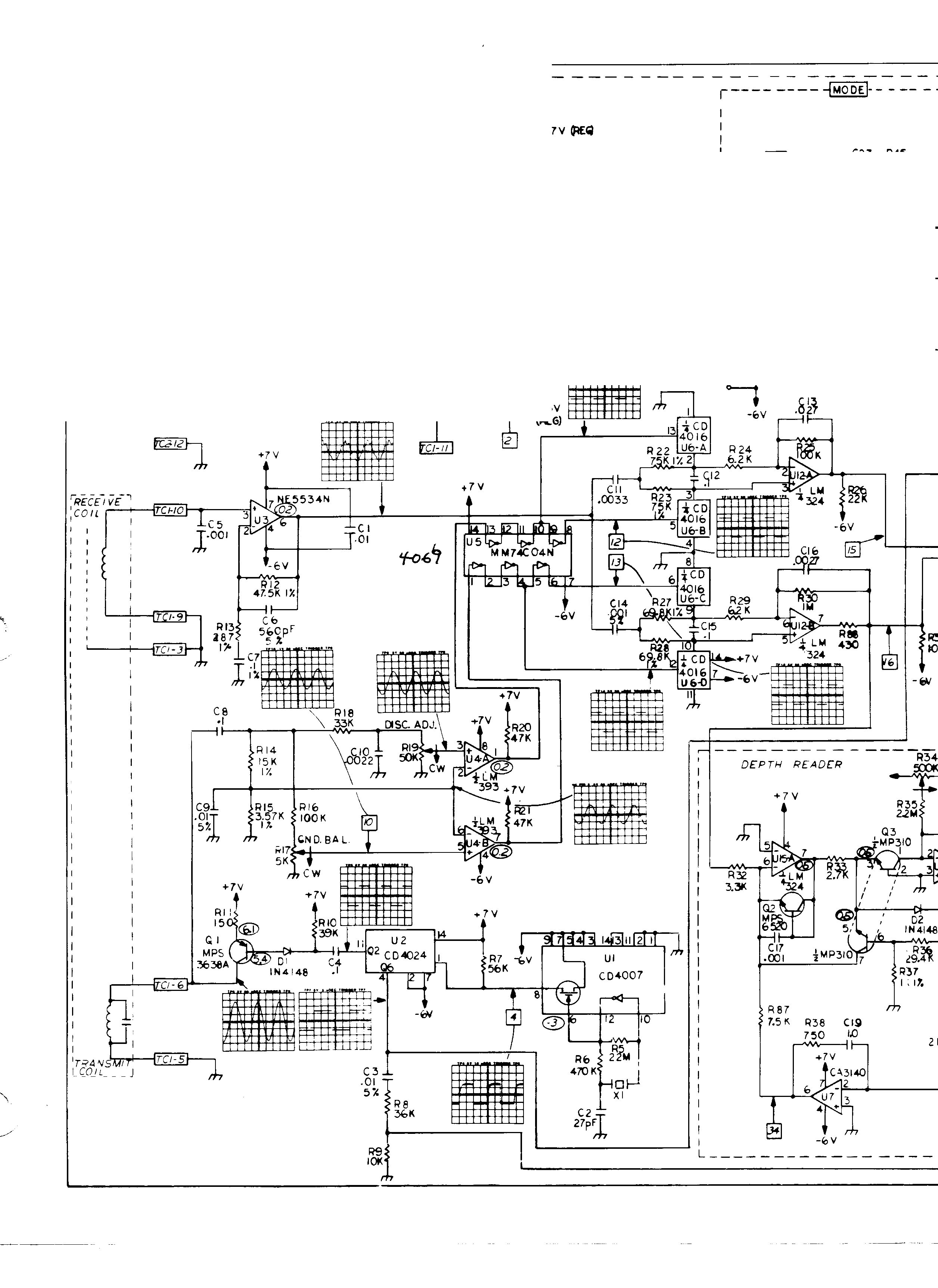
A lot missing. Can you post the rest. The thing with this schematic that I have not seen before is the wave forms.
I actually have this schematic, without the waveforms.
Comment