Announcement

Collapse
No announcement yet.

Announcement

Collapse
No announcement yet.

Whites Eagle IISL (1989)

Collapse
X
 
  • Filter
  • Time
  • Show
Clear All
new posts

  • Whites Eagle IISL (1989)

    Anyone have the schematic for the Whites Eagle IISL (1989)
    Thanks
    Ron

  • #2
    the forum has schematic for Eagle but not version IISL.

    Comment


    • #3
      Thanks for letting me know!!!

      Originally posted by kt315 View Post
      the forum has schematic for Eagle but not version IISL.

      Comment


      • #4
        Are there any mods made to the Eagle II SL (1989) that can upgrade it to the Eagle II SL90?

        Comment


        • #5
          hi ti all

          Comment


          • #6
            Originally posted by rluka View Post
            Are there any mods made to the Eagle II SL (1989) that can upgrade it to the Eagle II SL90?
            Not that I know of.

            Comment


            • #7
              I realize this post is several years old, but was the Eagle schematic ever found? If so, would someone point me to it's location. I searched through all of the schematic posts and could not find it.
              Thanks
              Jim

              Comment


              • #8
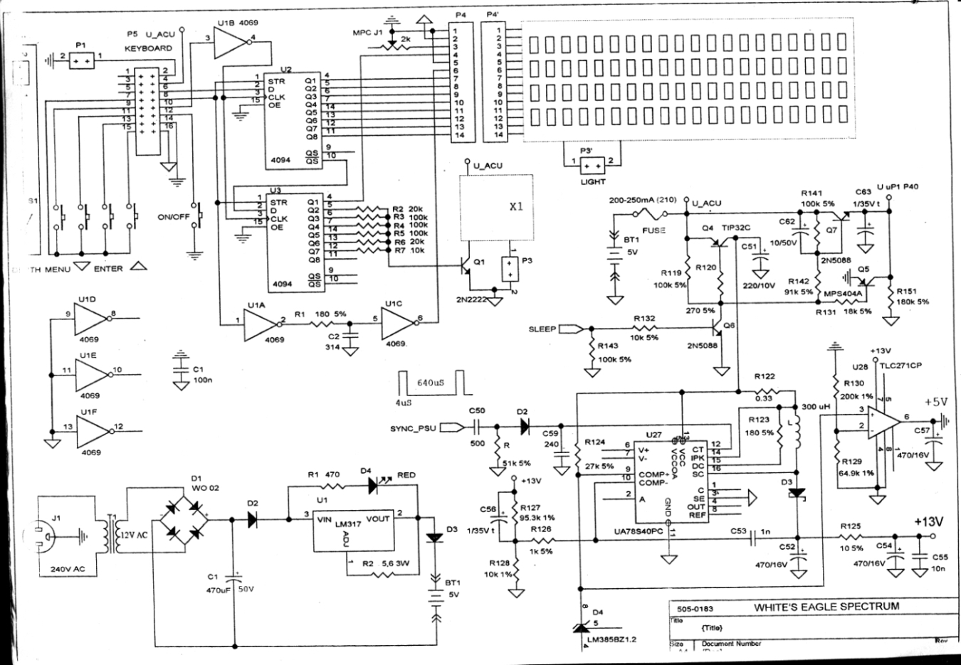
                Here is one schematic, not sure if it's the same.
                Attached Files

                Comment


                • #9
                  ... ...
                  Attached Files

                  Comment


                  • #10
                    I guess I'm a bit puzzled. Was the Eagle,Eagle II, Eagle II SL basically the same hardware design with only firmware upgrades? Was the Eagle Spectrum also similar to the earlier Eagle models? I would appreciate someone familiar with the White's line of detectors explaining the main differences.
                    Thanks - Jim

                    Comment


                    • #11
                      I also, am confused and puzzled, with the various names, starting in 1991, with the Eagle Spectrum series. Is the SL designation meaning SLIM model? And what is this Sierra model? Is this E1, E2, E3, and E4 the same model detector? And I heard about the word MODS, does that mean models? Or Modifications? And I heard about the word PODS? Is this something like the George Payne series of Discovery Electronics which had a basic metal detector and then the customer could change it by adding various POD things to the main detector case and then change the electronics inside the detector? Very puzzling and confusing!
                      Melbeta

                      Comment


                      • #12
                        The Eagle II improvements were either mostly or completely firmware-based. Those improvements were available to Eagle I owners via a micro replacement. The Eagle II SL replaced the wrist-breaker handle with an S-rod with arm rest. SL meant Slim Line, although in later models SL referred to the truly slim box with the 8xAA tray. I believe all the Eagles had 4xC packs.

                        The Eagle I/II had a custom segmented LCD that had some indicators for probable target. The [Eagle] Spectrum incorporated a character LCD and implemented the first SignaGraph and, with a new 5-button keypad, also had a true menu system. Otherwise, hardware was likely the same as the Eagle. Still used the 4xC battery pack.

                        The [Spectrum] XLT replaced the character LCD with a graphics LCD which gave a higher resolution SignaGraph. Also switched to a slimmer box with 8xAA batteries.

                        A Sierra Eagle was likely just a paint job to give Jimmy something "unique" to sell. There were no MODS or PODS in the White's vocabulary, never heard of them.

                        The Eagle I through XLT was a jaw-dropping pace of really impressive designs. I'm sure it sent competitors scrambling. But during all this Minelab released the Sovereign and Fisher the CZ-5 which changed the market. White's was slow to get the DFX (Dual Frequency XLT) out the door, and even though it was a really good design Minelab had already moved on the the Explorer.

                        Comment


                        • #13
                          Nice summation Carl.

                          Over the years I heard rumors that Whites was paying Minelab some kind of royalty for multi-frequency. Is there any truth to this?

                          Comment


                          • #14
                            Yes, it's a rather bizarre story. When White's was developing the BeachHunter (and DFX) one of the engineers insisted that it would infringe Minelab's MF patent, US4942360 (aka '360). So the general manager decided to approach ML and license the patent which he did. For some reason there was a deadline White's had to meet on a product release per the terms of the license but the BeachHunter was still not working right, so they announced it's release anyway and sold a single (poorly working) unit to a distributor to meet the deadline. They then continued to finish development. That's why the BeachHunter was announced but then it tooks months before you could buy one.

                            All this happened before I was hired. When I got there, I reviewed the '360 patent and determined that the engineer was wrong, there was no infringement. White's could have saved a lot of money, the DFX was a huge seller at the time.

                            Comment


                            • #15
                              Good info Thanks!

                              Comment

                              Working...
                              X