Announcement

Collapse
No announcement yet.

Announcement

Collapse
No announcement yet.

TGSL SCHEMATIC FULL AND PROFOUND STUDY

Collapse
X
 
  • Filter
  • Time
  • Show
Clear All
new posts

  • TGSL SCHEMATIC FULL AND PROFOUND STUDY

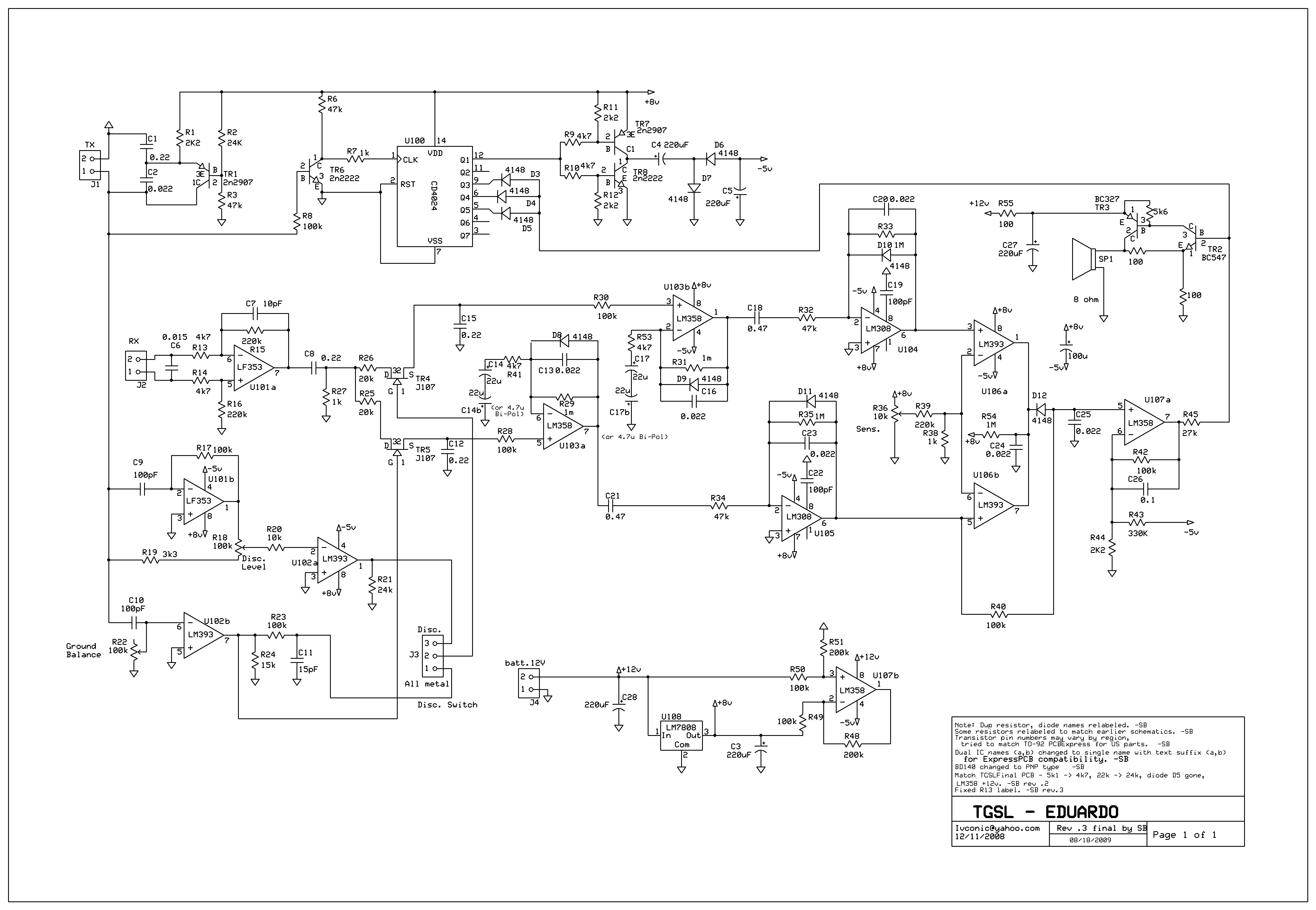
    HELLO,
    I asked myself "DO YOU REALY KNOW ,WHAT DOES EACH COMPENENT IN TGSL SCHEMATIC?"
    the answer "40% of them and without mathematical equations" 5 years and I still don't know 100% how VLF metal detector works , and the example is TGSL. at first when I made a working TGSL I thaugth that I'm genious.my friends told me that I did a great job . but in reality there is a lot lot of missed ideas and reasons why they used that configuration instead of that one and ...
    I would like to fully understand TGSL schematic,compenent by compenent, because I see that very very important for us to be really an expert, and for sure, understanding one schematic like TGSL one ,will help me and you to understand many many other schematic, and in general electronics, maybe we can find some blocks in other devices, like power supply regulation,negative power supply converter and so forth. really I didn't saw many deep expalanation with equations and a lot of matematics, because we just know the general principle, in excillent case a litle more complecated ideas. why we can't go to the limits and solve all the circuit.I'm not scared to tike my time and fully understand this schematic with equations to learn how to control an electronic project and not be controled by this project.
    if you want to give us a hand, and make all memebers really understand this schematic as an example ,it would be the rigth way to deal with electronic projects and make an advenced understanding of this schematic.you can ask your self do you realy understand this MD schematic ? please give us a profound informations.
    best regards.Click image for larger version

Name:	1A TGSL EDU.jpg
Views:	6
Size:	849.6 KB
ID:	371096

  • #2
    i know what does each component in a schematic. for me thats enough one fast look on a schematic and i sure know for what the schematic
    and what it does. i do not need RTFM for all schematics i see around. my mind is working like PC.
    if you ask about what do every component in tgsl you are sure just beginner in electronics. you TRY to learn the electronics via building your
    fisrt detector. while we are waiting engeeners from Tesoro, Whites, Garrett anf First Texas to tell us more.
    they do not go. nobody does wish pay for their job. because people want 'Dear Expert I want to make DP REV 5.0 boards from china. Kindly give me the necessary files. My email is '.

    "get all and go out" is main profound information.

    Comment


    • #3
      Originally posted by ifrenide View Post
      HELLO,
      I asked myself "DO YOU REALY KNOW ,WHAT DOES EACH COMPENENT IN TGSL SCHEMATIC?"
      the answer "40% of them and without mathematical equations" 5 years and I still don't know 100% how VLF metal detector works , and the example is TGSL. at first when I made a working TGSL I thaugth that I'm genious.my friends told me that I did a great job . but in reality there is a lot lot of missed ideas and reasons why they used that configuration instead of that one and ...
      I would like to fully understand TGSL schematic,compenent by compenent, because I see that very very important for us to be really an expert, and for sure, understanding one schematic like TGSL one ,will help me and you to understand many many other schematic, and in general electronics, maybe we can find some blocks in other devices, like power supply regulation,negative power supply converter and so forth. really I didn't saw many deep expalanation with equations and a lot of matematics, because we just know the general principle, in excillent case a litle more complecated ideas. why we can't go to the limits and solve all the circuit.I'm not scared to tike my time and fully understand this schematic with equations to learn how to control an electronic project and not be controled by this project.
      if you want to give us a hand, and make all memebers really understand this schematic as an example ,it would be the rigth way to deal with electronic projects and make an advenced understanding of this schematic.you can ask your self do you realy understand this MD schematic ? please give us a profound informations.
      best regards.[ATTACH]46597[/ATTACH]
      Try reading "Inside the METAL DETECTOR" -> https://www.amazon.com/Inside-Metal-...DDMSEQ5SG7TWCJ
      The Raptor Project is very Tesoro-like.

      Comment


      • #4
        thank you Qiaozhi. hey TK 315 you dont know how TGSL work . you know why? because I asked you befor about the output TGSL comparators"-5v/0v" or "0 /+8v" , with a PM and I didn't get any answer . if you want I can copy your MSG here you told me that you don't know a lot about VLF designs.

        Comment


        • #5
          qiaozhi can you tell me why we use 1n4148 diode with law pass filters?

          Comment


          • #6
            Originally posted by ifrenide View Post
            qiaozhi can you tell me why we use 1n4148 diode with law pass filters?
            The TGSL uses a general purpose silicon diode in the feedback path to clip the opamp output and stop it going into saturation. If you look at the Raptor schematic, you will see that there are no diodes present in the feedback path. To be honest, I've tried both methods and could not find any benefit to including the diode.

            Comment


            • #7
              HI Qiaozhi.we use 1n4148 to clip the feedback and avoid saturation?. the 1M resistor set the gain and for sure there will be no saturation , and the diode will not block any current since it will pass through the resistor and the capacitor .and this is one of many other important questions.why we use a compenent and we don't know why we use it .I'm not confortable with that I have to know why.
              thank you very very much quiaozhi.
              best regards

              Comment

              Working...
              X