I don't know much about electronics, but I'll give it a try.
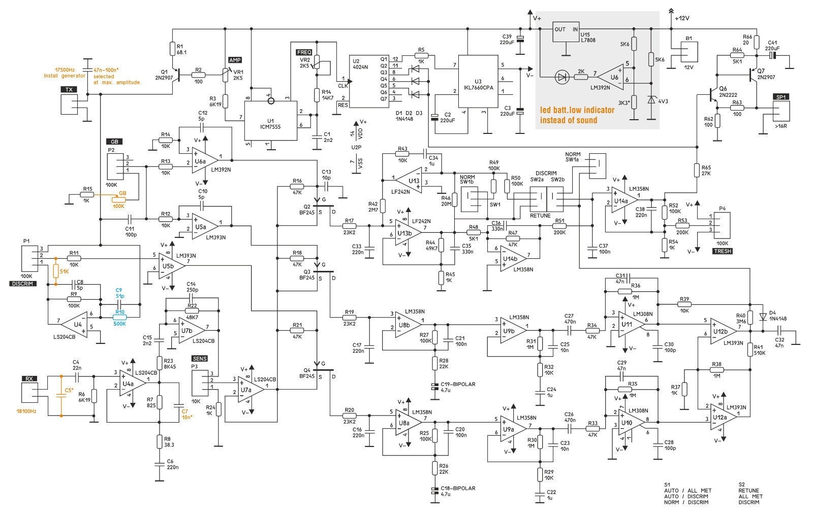
I already have the PCB assembled with all the components. I hope Geotech friends help me in this project. I will greatly appreciate your help.
I already have the PCB assembled with all the components. I hope Geotech friends help me in this project. I will greatly appreciate your help.


Comment