Announcement
Collapse
No announcement yet.
Announcement
Collapse
No announcement yet.
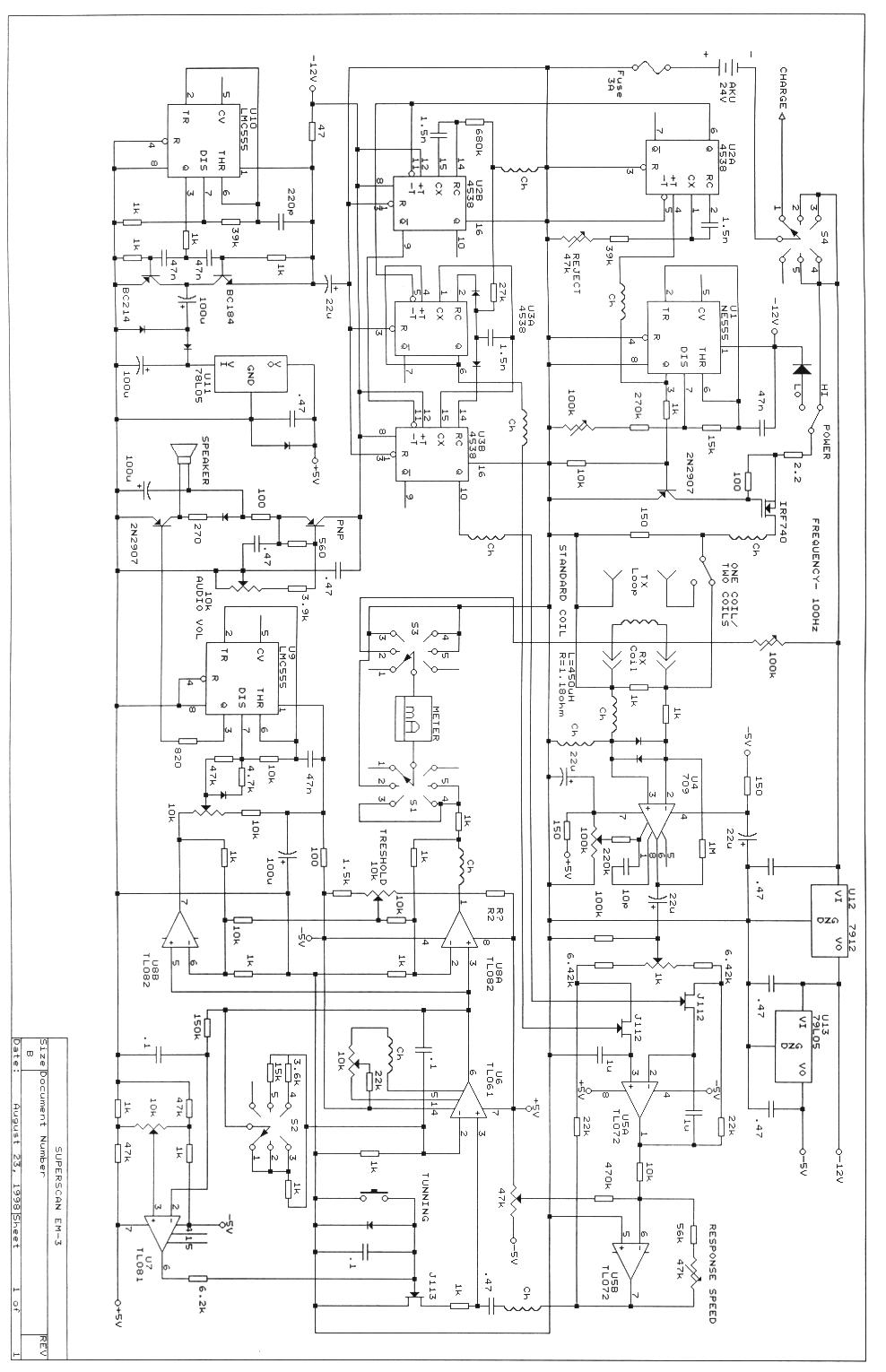
Superscan drawing
Collapse
X

Comment