Announcement
Collapse
No announcement yet.
Announcement
Collapse
No announcement yet.
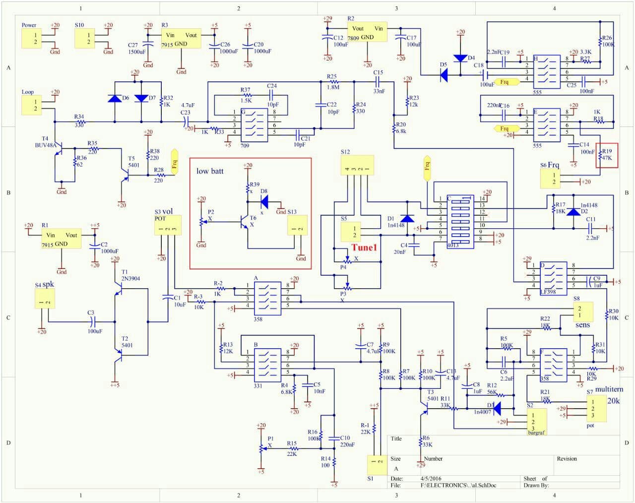
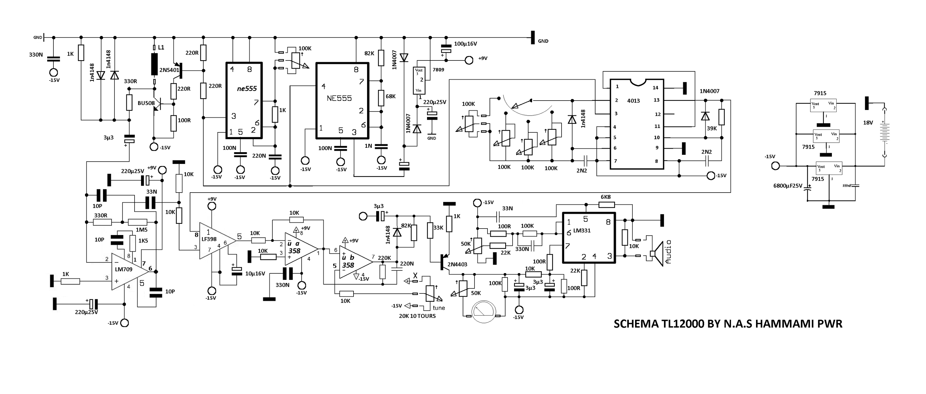
TL12000
Collapse
X
-
https://drive.google.com/folderview?...OTHBVk3OT71dx7
I won't upload the rar file. Who can upload it here?
-
TL12000 SCHEMATIC
maybe this schematic is good
Comment
-
Comment
-
-
Hi Sbalio1,
I had a look at the video clip. The video is not convincing at all. It shows only a search coil and some targets with a “beep”. A real proof of discrimination capability would be for example a bench test where you can see e.g. a plier + a gold ring together that “beeps” and another test with a plier only (without gold ring) that does not “beep” near the coin. Looking at the circuit, the circuit is only capable of adjusting a delay to the sample pulse. That is not like a real discrimination like seen for example in the Gold Scan circuity.
However, the circuit looks interesting with the LF398 and it seems to work quite stable in the video.
GeoMax
Comment
-
From watching the video, the so-called "discrimination" is achieved by increasing the sample delay. This method will never be able to reject iron. Any PI detector with an adjustable sample delay can ignore low conductivity targets while responding to high conductivity items such as rings. Nothing new here.Originally posted by GeoMax View PostHi Sbalio1,
I had a look at the video clip. The video is not convincing at all. It shows only a search coil and some targets with a “beep”. A real proof of discrimination capability would be for example a bench test where you can see e.g. a plier + a gold ring together that “beeps” and another test with a plier only (without gold ring) that does not “beep” near the coin. Looking at the circuit, the circuit is only capable of adjusting a delay to the sample pulse. That is not like a real discrimination like seen for example in the Gold Scan circuity.
However, the circuit looks interesting with the LF398 and it seems to work quite stable in the video.
GeoMax
Comment
-
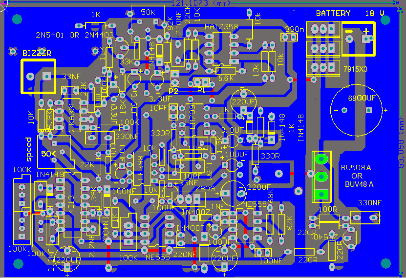
Hello friends, TECNIS TL 12000 is a powerfull German metal detector. good descrimination and stable machine. Here the new many PCB Design pattern
tl12000 by information section tv.rar
TL12000 BY EL SAADANI_035909.zipTL12000 BY EL SAADANI_035909.zip
Comment
-
Hi Asanka Sanjeewa,
in the video, you can see that the detector works stable no doubt about this. However, it is not discriminating iron at all. As Qiaozhi already mention in his post #12 the so-called “discrimination” is only adjusting the sample delay. This is NOT a discrimination of iron.
If you own a TL12000 try it out by yourself. Place an iron plier right in front of the coil, maybe 5 to 6cm away and you will see whatever you adjust with your controls, the detector will “beep” continuously. You will not be able to stop it. If a detector has a real discrimination functionality like the Gold Scan 4 for example, it does not matter how near you place an iron plier to the coil. The detector will be quiet.
GeoMax
Comment

Comment