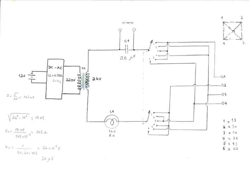
Here is an Accumeter equivalent to GPL or MLL from Kellyco.
Announcement
Collapse
No announcement yet.
Announcement
Collapse
No announcement yet.
Klaud Accumeter
Collapse
X
-
accumeter
Originally posted by KlaudHere is an Accumeter equivalent to GPL or MLL from Kellyco.
hallo
i can send you a shematic of accumeter.
if you want call me [email protected]
barossov
best regards.
-
My email to [email protected] was rejected.Originally posted by Unregisteredhallo
i can send you a shematic of accumeter.
if you want call me [email protected]
barossov
best regards.
I tried [email protected] no rejected.
I can expect an answer.
Best regards
Klaud
Comment
-
shematic accumeter diagram
[hi, anyone can share a accumeter shematic diagram, pls reply on my email ad: [email protected]. Thank you
Alaric
Comment
-
hello,
anybody have the schematic of accumeter and pulse star II and wish
to share it ,kindly send it [email protected]
Thanks
Comment
-
for klaud
please email me diagram you posted for gpl...much clearer please...tnxOriginally posted by KlaudHere is an Accumeter equivalent to GPL or MLL from Kellyco.
a lot..
my email
[email protected]
Comment
-
FOR KLAUD
please email me the clearer diagram...also include the listing of specific components and their values and type...eg capacitor mylar or other...
then the principle and operations manual for this project...tnx a lot
email
[email protected]
Comment
-
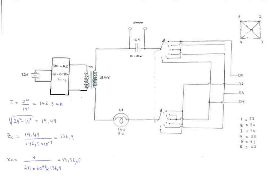
Better picture
Please find attached a better picture.
Inform if possible of the results of your researches.
ThanksAttached Files
Comment
-
to klaud - re:resistivity meter
now...its much clearer and corrected values now...tnx claude..
[email protected]
Comment
-
accumeter deep
hi, Klaud,
mai ask something if this accumeters it will works or not have you ever tried this? How deep in the surface? Is this true equivalent to GPL detector
pls reply to [email protected]
Thank you very much
Comment
-
accumeter
hi, Klau
Pls tell me the operation and principle of this diagram, by the way what is the 1= 12, 2= 34, 3= 14 ect? Thank you for reply.
Reply my email ad: [email protected]
thank you again
jane
Comment
-
please send me too ,your schematic of Accumeter ! i am interested for making one,if it is true what Carl says about hem may mail is [email protected]
Thanks,hope i am not late
Comment

Comment