Announcement

Collapse
No announcement yet.

Announcement

Collapse
No announcement yet.

Gardiner schematics info

Collapse
X
 
  • Filter
  • Time
  • Show
Clear All
new posts

  • Gardiner schematics info

    Could someone post a Gardiner schematic diagram?
    Model 202, 201, 190 etc. Also info on this older company would be
    helpful.

  • #2
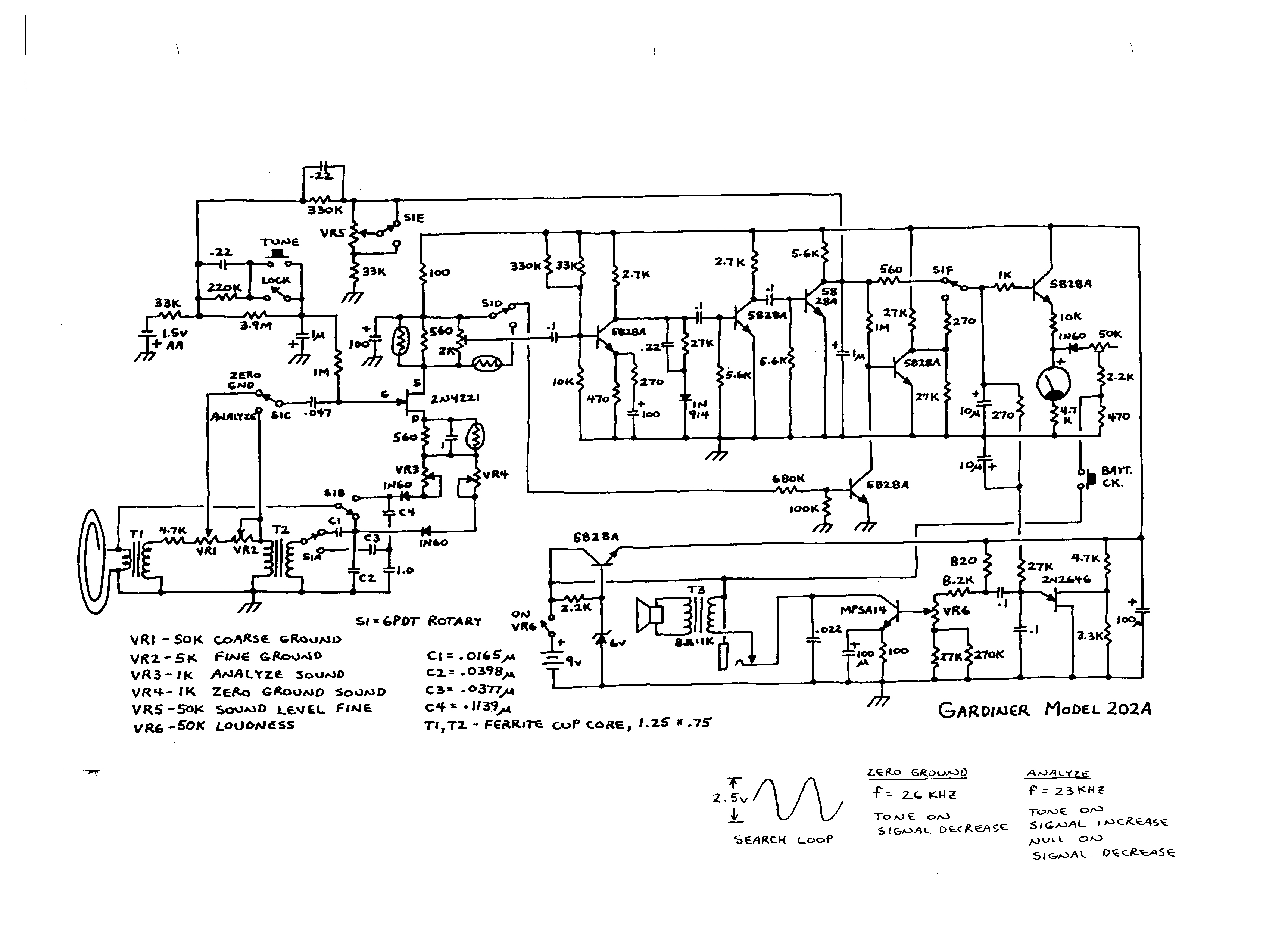
    Gardiner model 202A special for You
    Mrand

    Comment


    • #3
      Sorry, this is Gardiner 202A
      Mrand
      Attached Files

      Comment


      • #4
        Thanks

        Mrand
        Thanks a million for posting the schematic, It would be great to see more
        of the older stuff posted as we all stand on the shoulders of others.
        Such as Bob Gardiner, Charles Garrett, George Payne.

        Comment

        Working...
        X