Announcement

Collapse
No announcement yet.

Announcement

Collapse
No announcement yet.

Mysterious metal detector, please help.

Collapse
X
 
  • Filter
  • Time
  • Show
Clear All
new posts

  • Mysterious metal detector, please help.

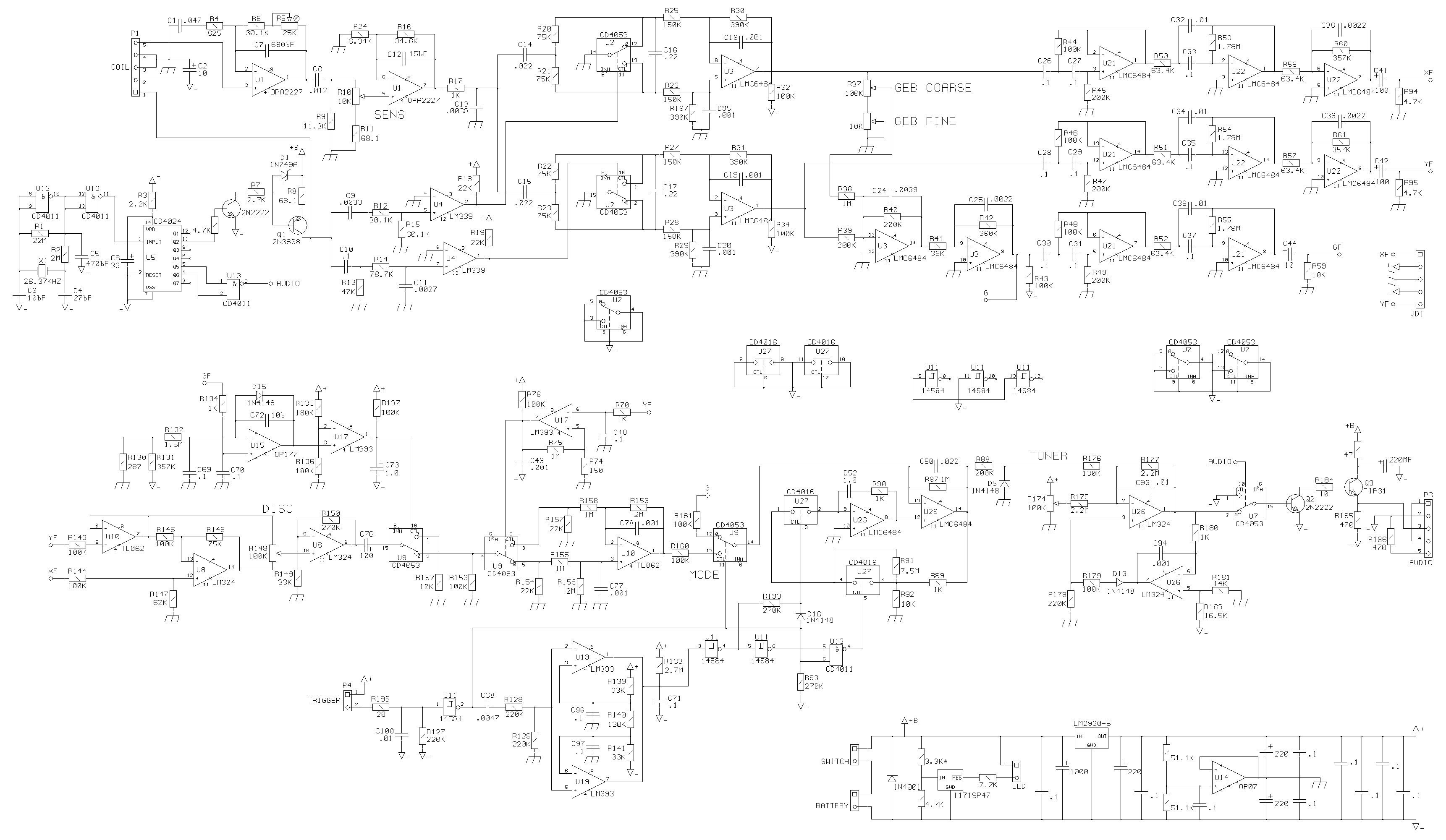
    Hello all I have this device I want to know the details of this device and how a file was made for it and is there a plan for this device you are fine

  • #2
    Help

    Comment


    • #3
      aliens' creation. no data.

      Comment


      • #4
        Looks like a White's board, don't know which one.

        Comment


        • #5
          no haracter Whites attributes, no ID model, nothing. all ICs are sanded, that Whites did not do never.

          aliens' product with no data. thinking a clone of 5900 or 6000 Di Pro.
          Attached Files

          Comment


          • #6
            It may be a clone of a White's board. The mounting holes are in the right place, and there are holes that are a match for the battery prongs.

            Comment


            • #7
              I have the device and I can disassemble it if asked to get to know the device

              Comment


              • #8
                It is said that it is an electromagnetic device and some told me that the big file is 1mh and the second file I don't know

                Comment


                • #9
                  there is not specific ID code of PCB version, like 505-0126, but maybe it is in copper layer of bottom side. addiitional pics are needed.

                  Comment


                  • #10
                    0096181425575

                    Comment

                    Working...
                    X