Announcement

Collapse
No announcement yet.

Announcement

Collapse
No announcement yet.

I have this detector but I miss the file is there anyone to help me

Collapse
X
 
  • Filter
  • Time
  • Show
Clear All
new posts

  • I have this detector but I miss the file is there anyone to help me

    I have this detector but I miss the file is there anyone to help me
    Attached Files

  • #2
    Never heard of this detector before... What kind of files are you looking for?

    Comment


    • #3
      Originally posted by GeoMax View Post
      Never heard of this detector before... What kind of files are you looking for?


      This device works with a frequency of 9 kHz which I know is one of the files is 1mh but the small file I don't know

      Comment


      • #4
        This device is from the inside

        Comment


        • #5
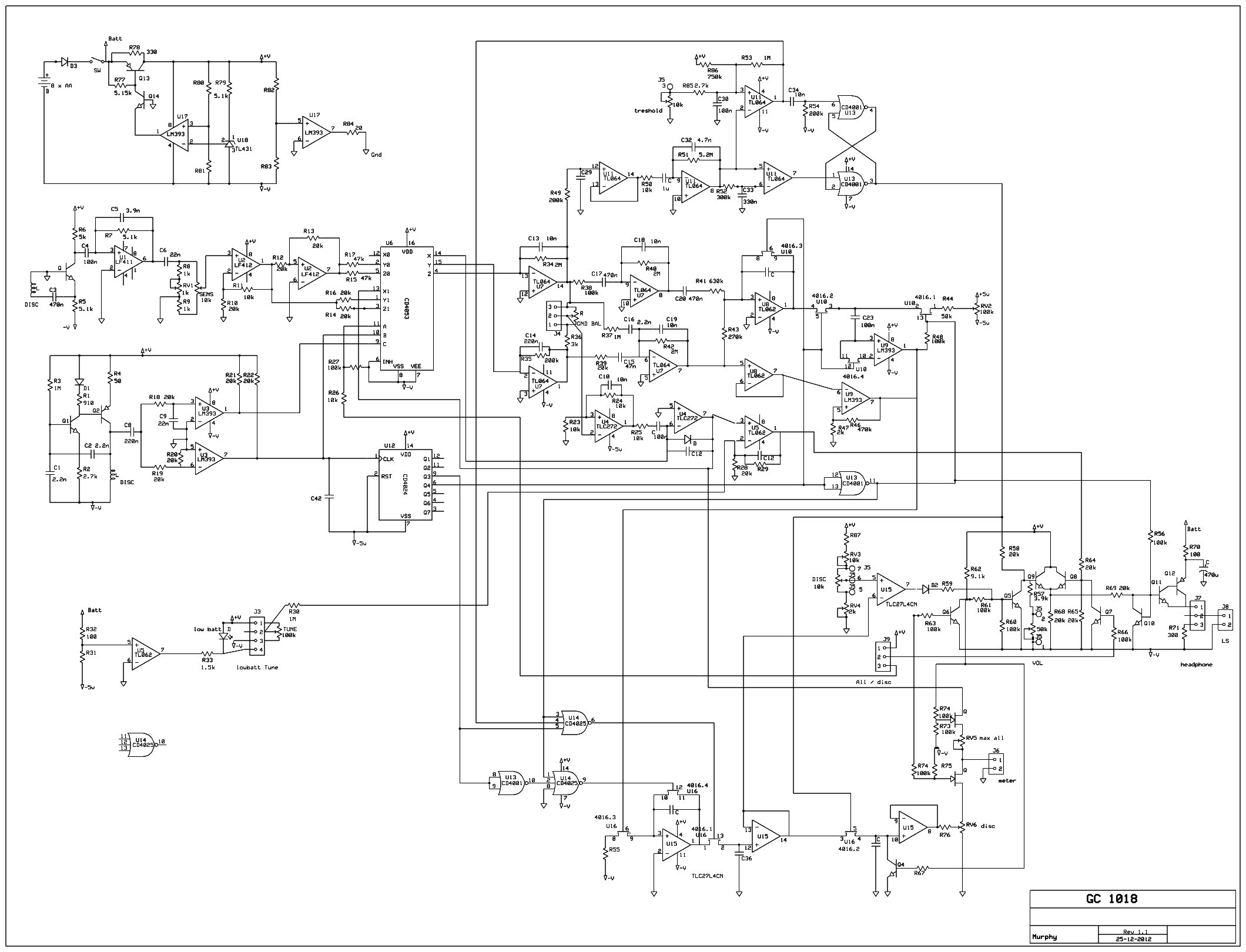
          this is chinese Gold Century GC-1018, GTX9055, L23BK

          Click image for larger version

Name:	components.jpg
Views:	156
Size:	401.5 KB
ID:	446498

          Comment


          • #6
            Originally posted by kt315 View Post
            this is chinese Gold Century GC-1018, GTX9055, L23BK

            Click image for larger version

Name:	components.jpg
Views:	156
Size:	401.5 KB
ID:	446498
            Do you have information about a full file or chart

            Comment


            • #7
              i keep aliens' files and do not keep their names. not mine.
              Attached Files

              Comment


              • #8
                Originally posted by kt315 View Post
                i keep aliens' files and do not keep their names. not mine.
                Thank you brother

                Comment

                Working...
                X