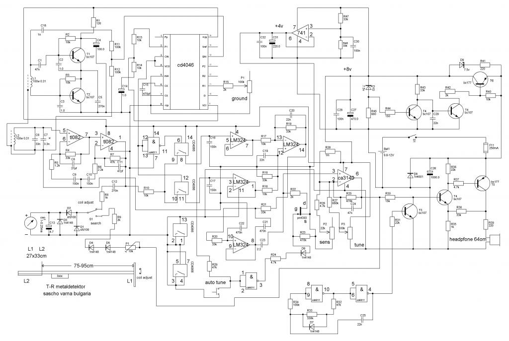
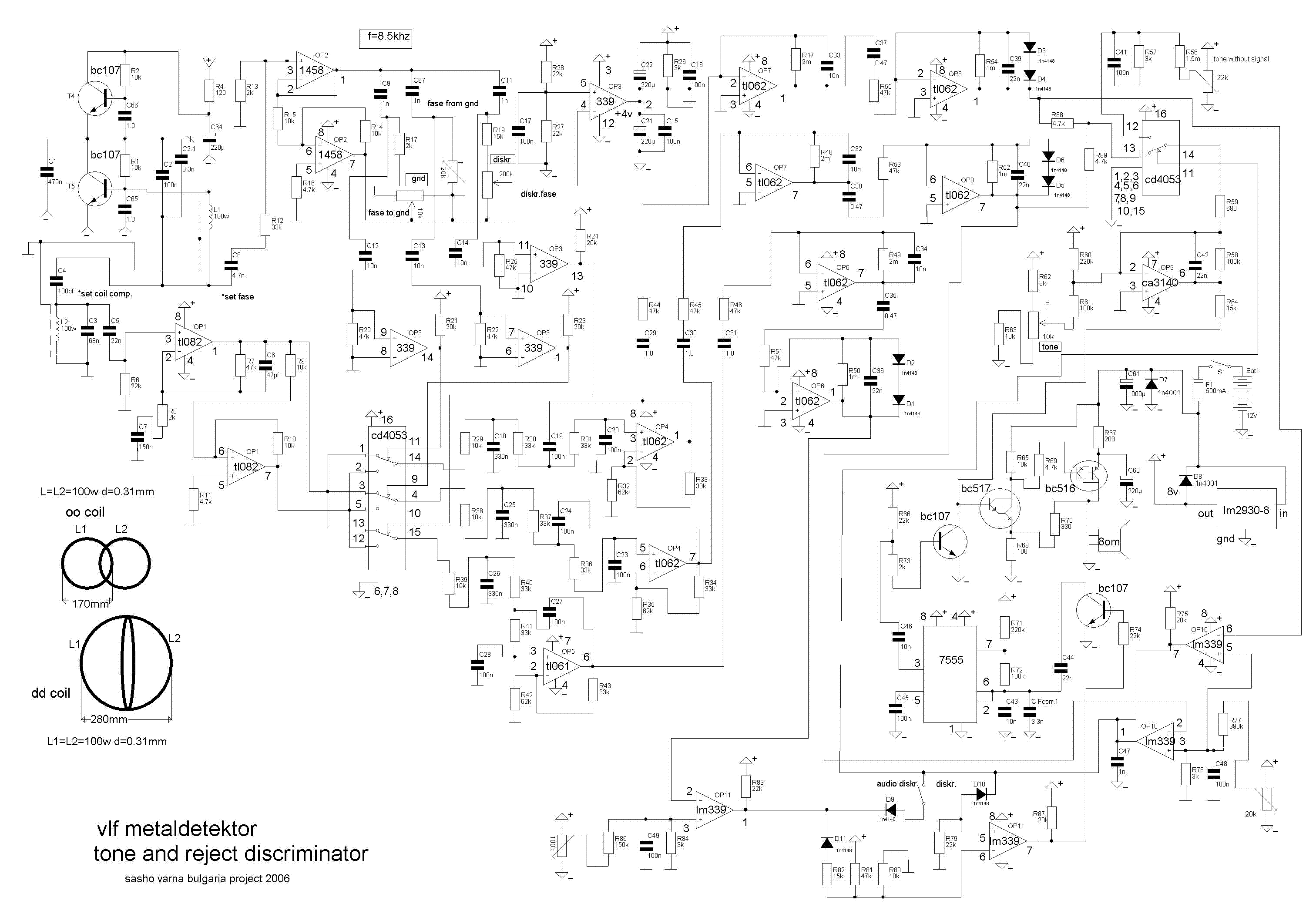
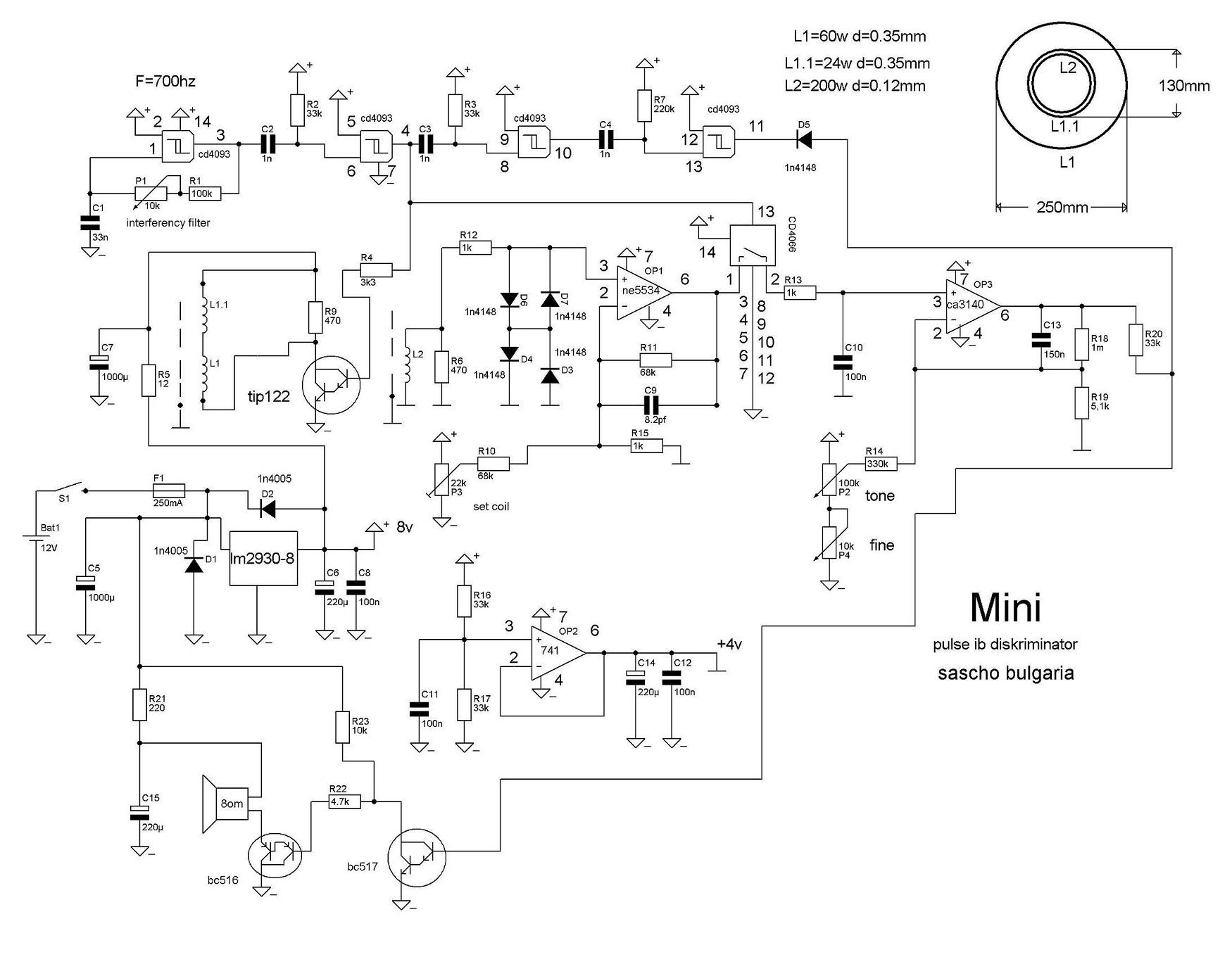
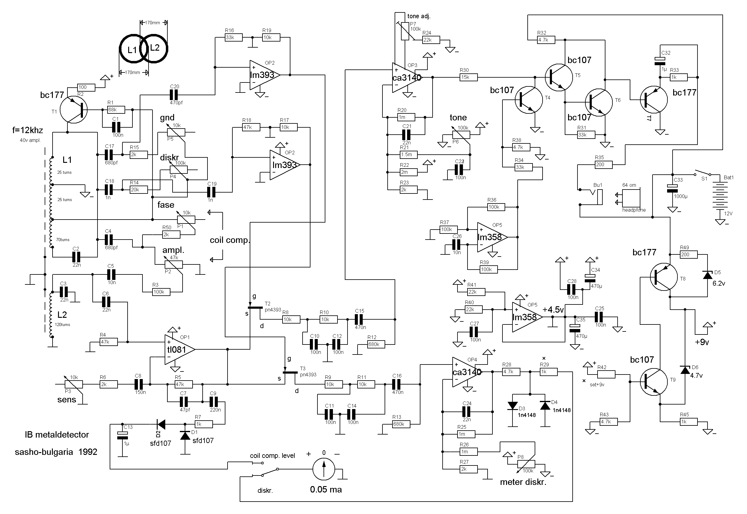
Deep-searching R-TR metal detector schematic.
Sonar , the schematics were DELETED. They Do not just Disappear !!!!! He has many Schematics posted over the years and they Disappear ????? Why?? I will post the Schematic you need , But I will need a Brief Discription of what you need first. I have a Bunch of his schematics but I dont want to post everything unless I have to. Please let me know what you need , Thank-You Eugene
Sonar , the schematics were DELETED. They Do not just Disappear !!!!! He has many Schematics posted over the years and they Disappear ????? Why?? I will post the Schematic you need , But I will need a Brief Discription of what you need first. I have a Bunch of his schematics but I dont want to post everything unless I have to. Please let me know what you need , Thank-You Eugene


have put in tapic.
Comment