Announcement
Collapse
No announcement yet.
Announcement
Collapse
No announcement yet.
Non-VCO PI schematic!
Collapse
X
-
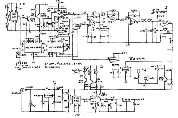
Was posted in old forum several years ago by Pepso. Build following the schematic because in the layout is not a jumper to positive, don't remember very well. I start this and sometimes can adjust very well and become in a very sensitive nice audio detector. Also you need recalculate damping resistor max. 270-300 ohms in point without ringing. Also low battery indicator isn't in PCB. I think work better with TL074. Jumpers are A to A, B to B, C to C, D to D and E to E (plastic cables).Attached Files
-
HI 1843,Originally posted by 1843 View PostEsteban,
I couldn't see the your attachment.(it has attached bad)
dan129,
Do you have silk screen side (component side) for this pcb?
Best Regards.
I think could be good for beach/underwater hunting...but if you have no vco output...can't figure out what the signal strenght is.
I think could be an interesting "teaching" project too. But Delta Pulse or XR-71 or better GS4 could beat it in everything. The real advantage is that requires less components and maybe less current...but then seems a really basic PI.
Best regards,
Max
Comment
-
This is the only file I have, found on Geotech. Save on your computer and with image editor repair, but I remember I draw by my own hand the PCB and work. Is in my plan to be more easy to adjust it. Yet no conclude it, I'm in other things! Here the photos:Attached Files
Comment
-
XL500
XL-500Originally posted by 1843 View PostEsteban,
I couldn't see the your attachment.(it has attached bad)
dan129,
Do you have silk screen side (component side) for this pcb?
Best Regards.
Comment
-
Hi Esteban.Originally posted by Esteban View PostThis is the only file I have, found on Geotech. Save on your computer and with image editor repair, but I remember I draw by my own hand the PCB and work. Is in my plan to be more easy to adjust it. Yet no conclude it, I'm in other things! Here the photos:
1. What about the efficiency of this typical detector.
2. Can you sent me the email address of Ivconic ? I can't find it.
My Regards
Comment
-

... with medium efficiency
and old drawing. Nothing special (My DP seems to be more better
Comment