I need also circuit which be able detect
coin in the ground Approximately from 40 cm.
Best regards.
coin in the ground Approximately from 40 cm.
Best regards.








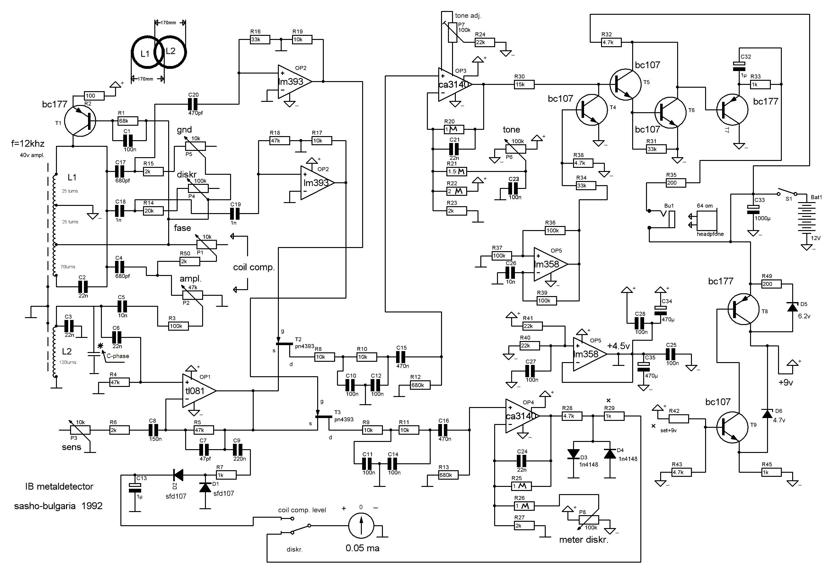
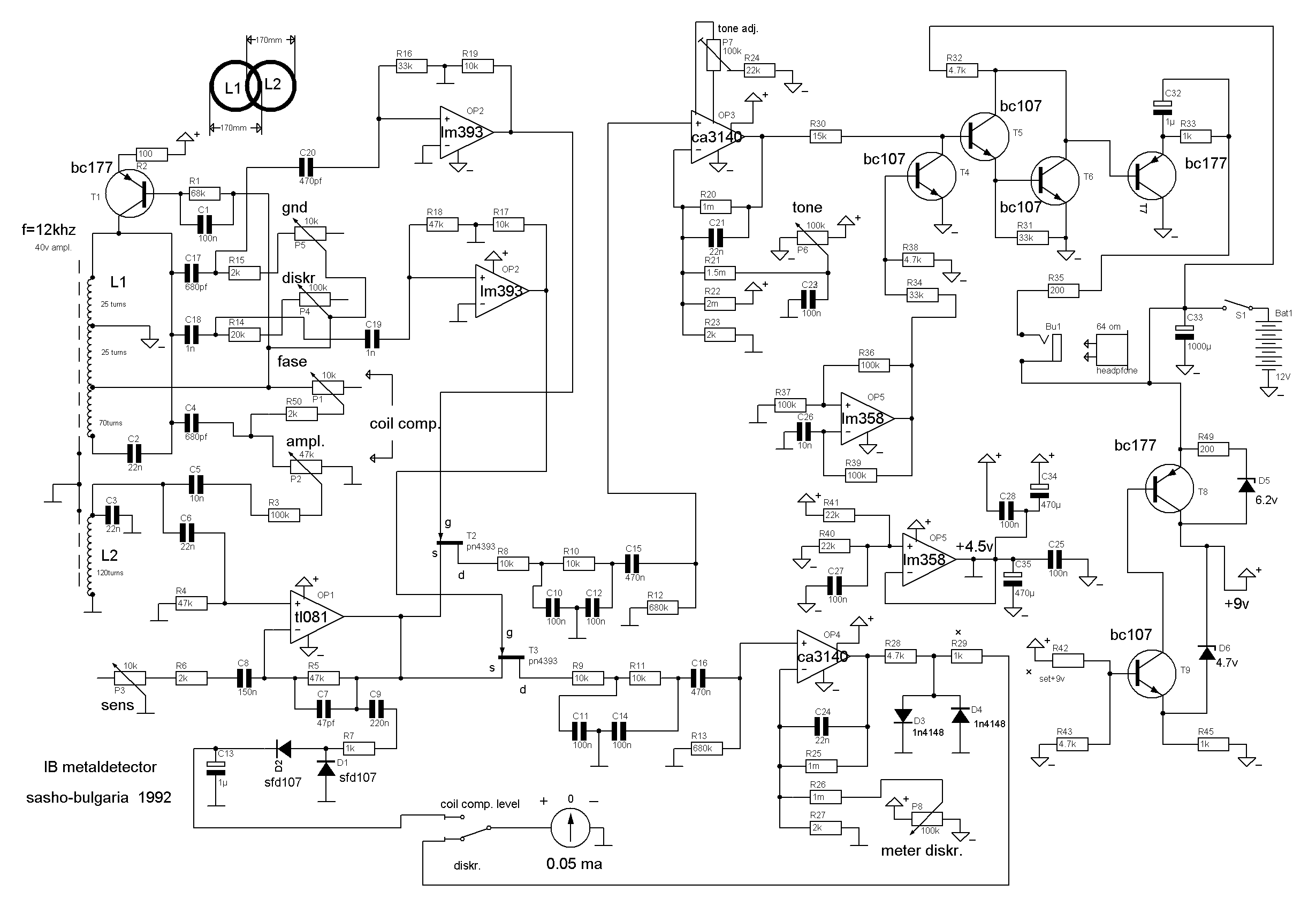
Deep Search Metal Detector is based on the internationally proven principle of low frequency pulse induction for high reliability and operational simplicity. It is suitable for detection of underground ferrous (mild steel and cast iron) and non-ferrous metals such as copper, brass, silver and aluminium.

Comment