Announcement

Collapse
No announcement yet.

Announcement

Collapse
No announcement yet.

Gradiometer

Collapse
X
 
  • Filter
  • Time
  • Show
Clear All
new posts

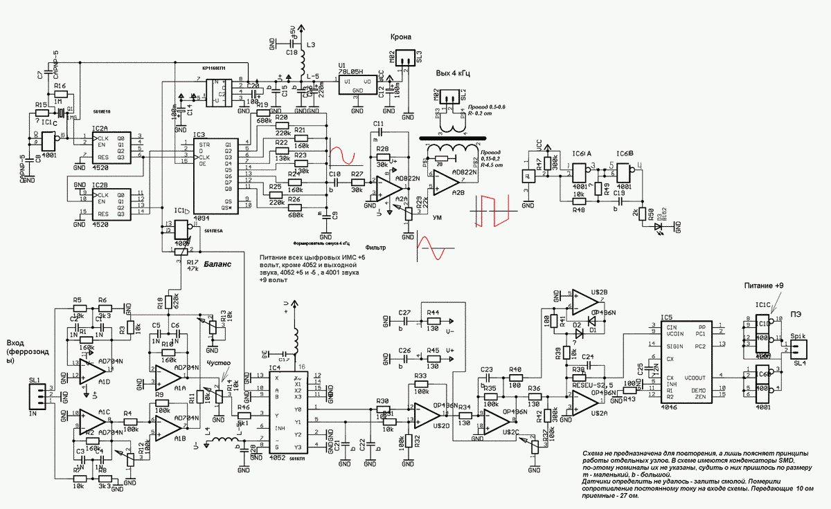
  • Gradiometer

    Any good Russian soul to translate this and give some hints?
    Attached Files

  • #2
    it is ferro-locator or yet ferro-probe (ferrozond=ferrosound?) metal detector FT-100. sensor data is unknown.

    Comment


    • #3
      ?

      Is it worth of making? Any details?
      Thanks in advance!

      Comment


      • #4
        hey...

        I guesss; "spik" is for speaker?
        What is "pitanie"?
        Why pointing at 4001? +9v? Where to connect +9v there?


        This looks like interesting vco, isnt it? Any chance to try it
        with TGSL?

        KT315 can you translate this? "Pitanie"....
        Thanks!
        Attached Files

        Comment


        • #5
          Originally posted by ivconic View Post
          I guesss; "spik" is for speaker?
          What is "pitanie"?
          Why pointing at 4001? +9v? Where to connect +9v there?

          This looks like interesting vco, isnt it? Any chance to try it
          with TGSL?
          KT315 can you translate this? "Pitanie"....
          Thanks!
          Mapa kako dobijo "pitanie" od ovo cyrillica

          Питание - Maybe try Feed,Nutrition , perhaps Positive feed 9v or something, you know different dialects ( look at english for example only, all speak the same and still no understand each other then talking tongues )

          All the best

          Comment


          • #6
            Originally posted by ivconic View Post
            I guesss; "spik" is for speaker?
            What is "pitanie"?
            Why pointing at 4001? +9v? Where to connect +9v there?

            This looks like interesting vco, isnt it? Any chance to try it
            with TGSL?
            KT315 can you translate this? "Pitanie"....
            Thanks!
            no problem. pitanie is Power Supply here. or BATT. or BATTERY. all what you want of. the points where you must CONNECT ON these your + and -. pitanie is also to eat.

            Comment


            • #7
              Thanks!
              It is shame, me Serbian not to understand Russian....only every fifth word...

              Thanks again!

              Comment


              • #8
                concretely here IC's power pins would be connect to +9 V (the pins are absent on the schematic, but we know these exist and present. maybe as standart 7 and 14, maybe 8 and 16... not core here. THE IMPORTANT FOR US IS +9 VOLTS FOR THE IC).

                Comment


                • #9
                  Originally posted by kt315 View Post
                  concretely here IC's power pins would be connect to +9 V (the pins are absent on the schematic, but we know these exist and present. maybe as standart 7 and 14, maybe 8 and 16... not core here. THE IMPORTANT FOR US IS +9 VOLTS FOR THE IC).
                  It's 7-14. 7 for gnd, 14 for +Vcc.

                  Comment


                  • #10
                    you maybe noted there - 'Krona'. it was such cell on 9 Volts like to ... brrrrr... 6F22 cell now. he wrote Krona and we know it is only this small 9 V 'transistor' batt.
                    or, you may be seen these small accums like to this batts, on 170 mA*h...
                    used in Tesoro, Bounty Hunter (2 units there) etc...

                    Comment


                    • #11
                      The PCB of the gradiometer.
                      Attached Files

                      Comment


                      • #12
                        Originally posted by Esteban View Post
                        The PCB of the gradiometer.
                        Why don't remove flux ?
                        It looks very bad resoldering work.

                        Orrible... more than UGLY BETTY.

                        (well... ugly in the show, with all the added stuff... but looking the pictures below... not so ugly - apart the last one )
                        Attached Files

                        Comment


                        • #13
                          Why don't remove flux ?
                          It looks very bad resoldering work.

                          Orrible... more than UGLY BETTY.

                          (well... ugly in the show, with all the added stuff... but looking the pictures below... not so ugly - apart the last one )


                          Sorry Max, you're very confussed, because I don't dissambled it. So, if you can remove the flux at YOUR STYLE , do it. But, first remove the flux of your brain with Haloperidol...

                          "Orrible" way for to write "horrible", also...

                          Comment


                          • #14
                            Why don't remove flux ?
                            It looks very bad resoldering work.

                            Max, seems like fliux is not the flux. it is a varnish. traditionally PCB's in USSR were nice varnished, frequently even by two coats. you maybe in course that GOST acceptance was been accurately effective on these things. the varnish is of such quality that you can not able simply to dissolve it (by good dissolvent). it may be deleted only by soldering heat...
                            it was ordinary mattery in soviet industry... now... you see yourself - asiatics absoliutely ignore any standarts in the world ... and you certainly think IT IS SUCH THING I SEE ANYWHERE HERE AND THERE, but you are not right...
                            the PCB has the good 'soviet' standart quality.

                            Comment


                            • #15
                              Hi,
                              I've seen better coming from USSR years ago and much more well looking.

                              I've seen some true electronic masterpieces of the old soviet, small things but very good quality, somehow similar to west made stuff... that it's truly incredible considering the lacks in e.g. quality standards for ordinary electronics.

                              This seems have the kind of thing you can find in some 70's japan made radio... at the point I was thinking was a dirty soldering work by Esteban...

                              anyway, the important is that it works... ugly or not.

                              Kind regards,
                              Max

                              Comment

                              Working...
                              X