Announcement

Collapse
No announcement yet.

Announcement

Collapse
No announcement yet.

Coinsmaster 6000 D

Collapse
X
 
  • Filter
  • Time
  • Show
Clear All
new posts

  • #16
    thanks much, hugo. china people will be crying away if we will find out the ones on GT and XLT. similar to your quality of the scan.

    Dood Luck, hugo, on your Way

    tolianych (aka taliban)

    Comment


    • #17
      AFT... you posted oscillator part from 6000DI/Pro...latest of those.
      Previous debate was on old 6000...without simillar oscillator...

      Comment


      • #18
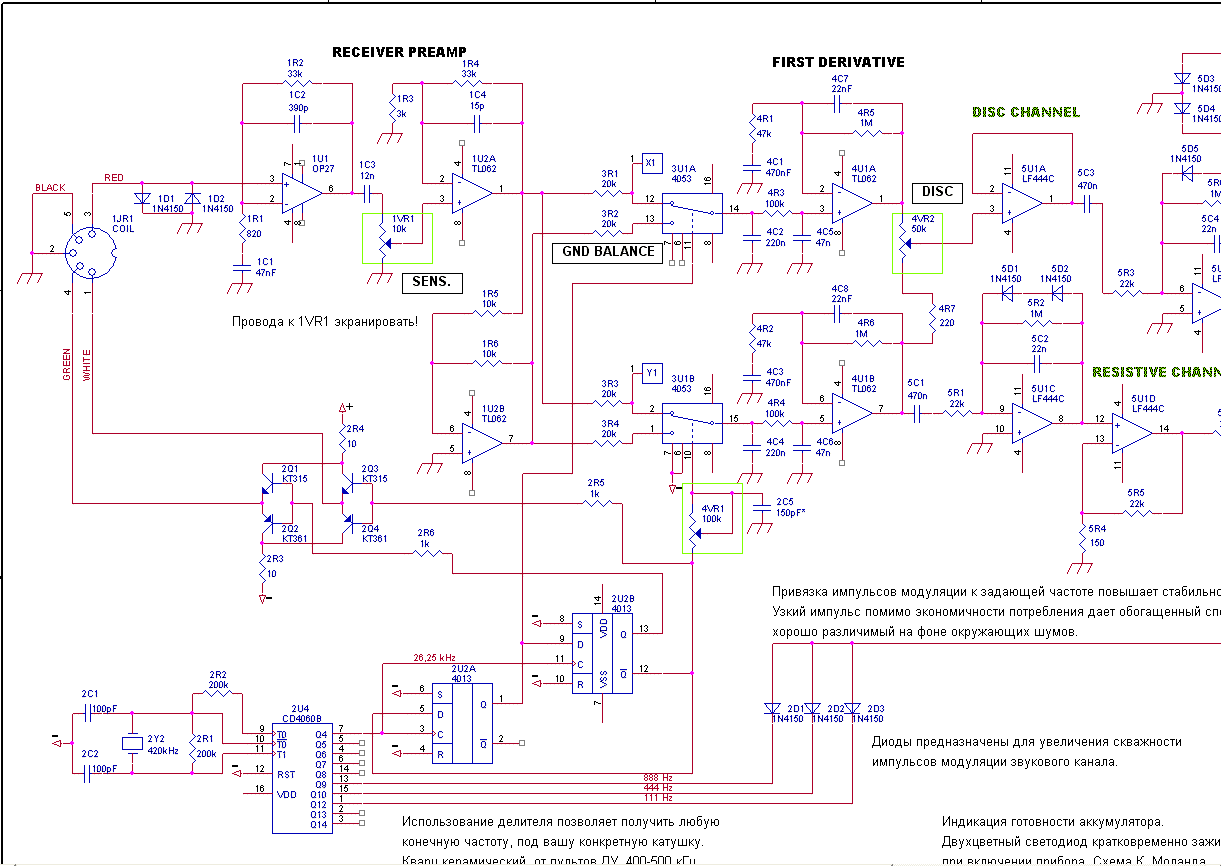
        Coinmaster 6000DiPro with 3.2768 Mhz X-tal modification.
        Attached Files

        Comment


        • #19
          rael, more better way is to use a ceramic quartz. they are meeting on 420-500 kHz, used in remote tv set control panel. not unique rare thing in a shop.
          Attached Files

          Comment


          • #20
            Thank you. KT315

            Comment


            • #21
              PCB

              hi, I need PCB of coinmaster 6000/D.plz send me by Email: [email protected]

              Comment


              • #22
                Originally posted by Unregistered View Post
                hi, I need PCB of coinmaster 6000/D.plz send me by Email: [email protected]
                I think that noone have it

                Comment


                • #23
                  coil

                  ok, Do you know about coil of coinmaster 6000/D?

                  Comment


                  • #24
                    Originally posted by s@mira View Post
                    ok, Do you know about coil of coinmaster 6000/D?
                    No. I have a coil of this detector, so i can measure the impentance and the DC resistance. But not the turns

                    Comment


                    • #25
                      oh, I need information about coil of coinmaster6000/d.what do I obtain it.

                      Comment


                      • #26
                        coil

                        I don't gain my answer.please give me information and identifier about a coil of coinmaster or identifier every coil with good range.
                        Email: [email protected]

                        Comment


                        • #27
                          26,37 kHz Crystal

                          Originally posted by ivconic View Post
                          Not hard to obtain; may use any of crystals used in CB radios...
                          Bye!
                          I´m also searching a Crystal with 26,37 kHz. In Wikipedia, they say, in CB-radios Crystals are used with about 27 MHz not kHz.
                          So, does anybody know, where (in what devices) to find such a Quarz? In the normal net it´s almost impossible.

                          Comment


                          • #28
                            Click image for larger version

Name:	20160818_152431.jpg
Views:	1
Size:	482.7 KB
ID:	346334I have the same problem I cant found the rigth shematic, coinmaster 6000 DI 2 version, its only have 4 batteries each one of 1,2v, and in this version dont have 78S40 for up de voltage, somebody have this..?

                            Comment

                            Working...
                            X